Collection: 992A - 115V Concrete Vibrator Motors Parts By Wyco
Search by Brand, Type & Model
Can’t see your part yet?
We probably have it off-catalog.
Call +1(202)6301027 or email customerservice@danseusa.com and we’ll hunt it down today
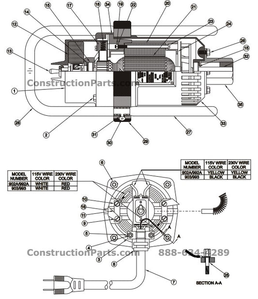
Wyco 992A - 115V Concrete Vibrator Motors Parts
It is highly recommended that you use only genuine Wyco replacement parts to repair your Wyco 992A - 115V Concrete Vibrator Motors . Browse through our details parts diagram for Wyco 992A - 115V Concrete Vibrator Motors to identify and order the right parts.
Wyco is a leading name in concrete consolidation and vibration tools. Wyco internal concrete vibrators are sturdy reliable and do the job perfectly when it comes to compacting and homogenizing concrete poured by contractors on the job site.
Wyco with its innovations in gas-powered concrete vibrators and square heads over 90 years has carved out a loyal customer base for its products.
Some of the most common products by Wyco include -
Sure Speed Electric Vibrator Motor
995 Electric Vibrator Motor
ErgoPack Gas Powered Concrete Vibrators
Square Concrete Vibrator Heads
Screed King
Square Head EZ Vibe
High Cycle Concrete Shafts
Select Cycle Shafts
3 Phase generators
Hydraulic Concrete Vibrators
Pneumatic Concrete Vibrators