Collection: DC 3000 Dust Extractor Parts By Husqvarna

Search by Brand, Type & Model

1 :
2 :
3 :

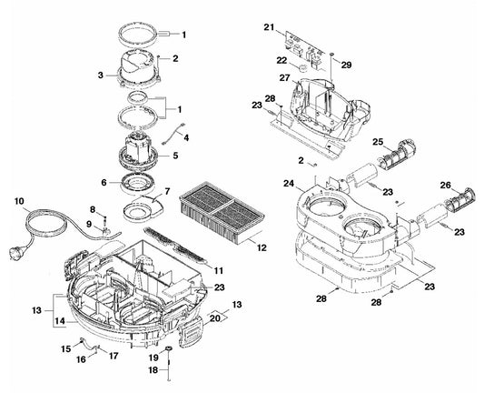
Maintain the optimal performance of your Husqvarna DC 3000 Dust Extractor with genuine repair parts from Danse USA. Our selection includes flat pleated filters, suction hoses, and automatic filter cleaning system components designed specifically for the DC 3000 model. Genuine Husqvarna parts are essential for reliable dust extraction in both wet and dry cleaning applications, ensuring compliance with safety standards and extending the lifespan of your equipment. Trust Danse USA for certified parts that help keep your dust extractor running smoothly.