Collection: DM 406 Core Drill Motor Parts by Husqvarna

Showing 1to 28of 28 items


Maximizing Performance with Genuine Parts: The Key to Maintaining Your Husqvarna DM 406 H Core Drill

When it comes to heavy-duty drilling in concrete, brick, and various stone materials, the Husqvarna DM 406 H stands out as a robust and reliable choice for professionals. Its exceptional performance, durability, and the ability to withstand tough handling make it indispensable on any construction site. However, to maintain its efficiency and extend its lifespan, regular maintenance and the use of genuine Husqvarna parts are non-negotiable. This blog explores the critical aspects of maintaining the DM 406 H Core Drill and how www.danseusa.com, as a trusted dealer of genuine Husqvarna parts, plays a pivotal role in this process.

Understanding the Husqvarna DM 406 H

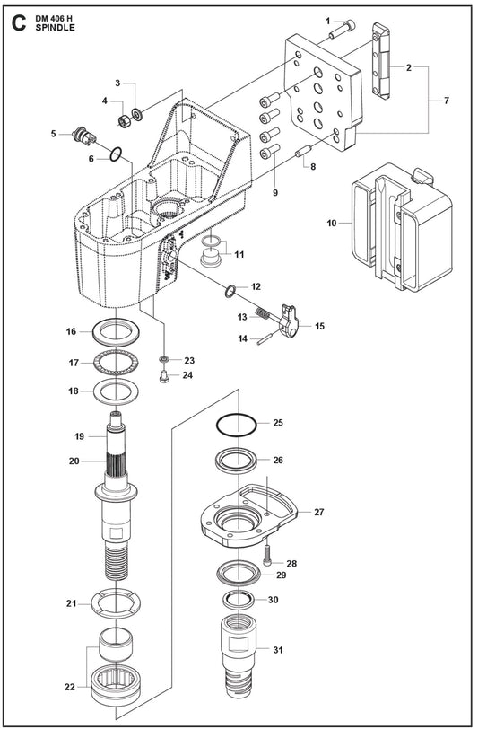
The DM 406 H is designed for stand-mounted drilling, featuring a hydraulic motor intended for drilling into concrete, brick, and various stone materials. It's known for its modular design, making assembly easy and its hydraulic motor speed adjustable in three positions. The mechanical gearbox with two gears allows for six different spindle speeds, enabling optimal drilling performance across a wide range of applications. Moreover, the machine's water-cooled gearbox ensures it runs smoothly under continuous use.

The Importance of Regular Maintenance

Regular maintenance is crucial for the Husqvarna DM 406 H Core Drill. It ensures the machine operates efficiently, prevents premature wear, and maintains safety standards. Key maintenance steps include:

  • Daily Cleaning: Keeping the machine and drill bit clean prevents the build-up of debris that can affect performance.
  • Regular Inspections: Before and after use, inspect the machine for signs of wear or damage, especially focusing on the hydraulic hoses and connections.
  • Gearbox Oil Change: Changing the gearbox oil as recommended, which is typically once a year or every 100 hours of operation, to ensure the gearbox operates smoothly.
Why Choose Genuine Husqvarna Parts?

Compatibility and Performance: Genuine Husqvarna parts are designed specifically for your DM 406 H, ensuring perfect compatibility and maintaining the machine's performance as intended by the manufacturer.

Durability: Authentic Husqvarna parts are manufactured to meet rigorous quality standards, ensuring they last longer and perform better, reducing the need for frequent replacements.

Warranty and Support: Using genuine parts helps maintain your equipment's warranty. Additionally, purchasing from a trusted dealer like www.danseusa.com ensures you receive expert support and advice on selecting the right parts.

Safety: Genuine parts are tested and approved by Husqvarna, meeting all safety requirements. This is critical in maintaining the safety standards of your equipment, protecting you and your team on the job.

Finding Genuine Husqvarna Parts at www.danseusa.com

www.danseusa.com is your go-to source for genuine Husqvarna parts for the DM 406 H Core Drill and other Husqvarna equipment. With an extensive inventory of authentic parts, from drill bits to hydraulic hoses and connectors, www.danseusa.com ensures that you find everything you need to maintain your Husqvarna equipment in one place. Their expert team can also provide valuable advice on maintenance practices, helping you keep your DM 406 H Core Drill in top condition for years to come.

Conclusion

Maintaining your Husqvarna DM 406 H Core Drill with genuine parts is essential for ensuring its longevity, performance, and safety. By choosing a reputable dealer like www.danseusa.com for your parts needs, you're investing in the future of your equipment and your projects' success. Keep your Husqvarna equipment performing at its best with regular maintenance and authentic Husqvarna parts.