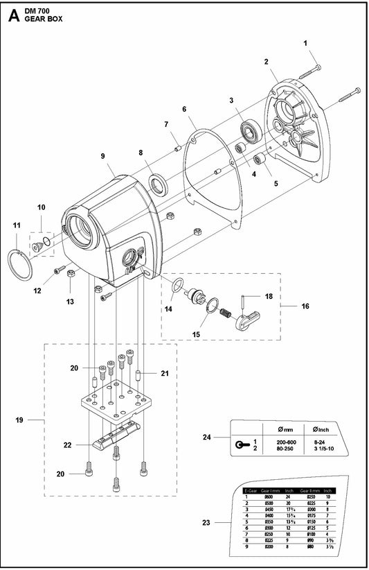
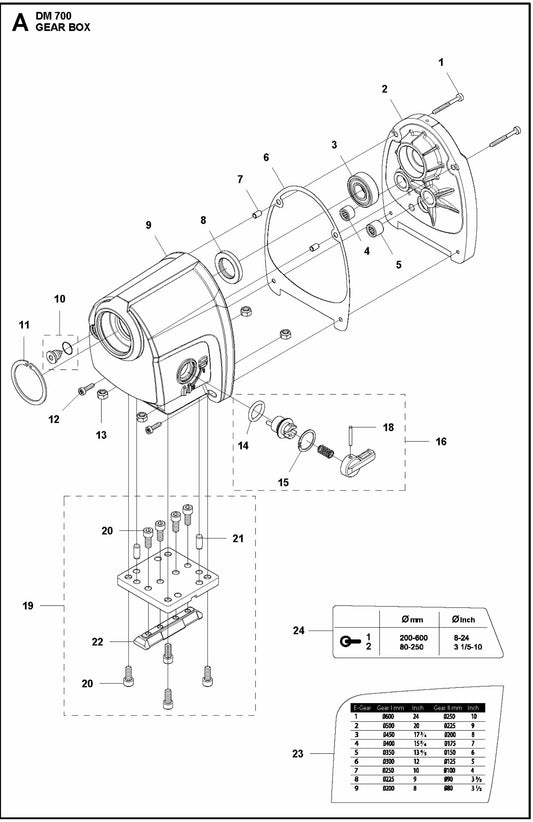
Collection: DM 700 Core Drill Motor Parts by Husqvarna

Showing 1to 36of 39 items

View More

The Powerhouse of Drilling: Husqvarna DM 700 Core Drill

In the dynamic world of construction and renovation, efficiency and reliability are paramount. The Husqvarna DM 700 Core Drill, with its remarkable features, stands out as an indispensable tool for professionals seeking unparalleled drilling capabilities. This blog post delves into the extraordinary attributes of the DM 700 Core Drill and underscores the significance of using genuine Husqvarna parts from www.danseusa.com for maintenance and repairs.

A Drilling Marvel

The Husqvarna DM 700 Core Drill is a testament to cutting-edge engineering, designed to meet the rigorous demands of heavy-duty drilling with ease. It's not just a tool; it's a powerhouse that brings precision and power to your fingertips, enabling you to tackle the most challenging drilling tasks with confidence.

Unmatched Power

Equipped with a 6 kW electrical motor, the DM 700 Core Drill is designed for optimal performance. This robust motor ensures that even the most demanding drilling operations in concrete, brick, or stone are executed efficiently, making it the go-to choice for professionals aiming for excellence in their projects.

Versatility at Its Best

With the capacity to handle drill bits up to 600mm in diameter, the DM 700 offers unmatched versatility. Whether it's drilling for water evacuation, plumbing, or waste evacuation pipes, this core drill adjusts to your project's needs, ensuring high productivity and precision.

Engineered for Durability

The DM 700 doesn't just excel in power and versatility; it's also built to last. Its durable and ergonomic design, coupled with minimal service needs, ensures that your core drill withstands the test of time, providing reliable performance day in and day out.

The Importance of Genuine Parts

To maintain the superior performance of the Husqvarna DM 700 Core Drill, it's crucial to use genuine Husqvarna parts for any maintenance or repair work. Genuine parts ensure compatibility, preserve the tool's warranty, and maintain the high standards set by Husqvarna for durability and performance.

Why Choose www.danseusa.com?

www.danseusa.com is your trusted partner for sourcing genuine Husqvarna parts. As an authorized dealer, we guarantee that every component you purchase from us is authentic, ensuring that your Husqvarna DM 700 Core Drill operates at its best. Our easy-to-use interface makes finding and purchasing the right parts a hassle-free experience, allowing you to focus on what you do best—delivering exceptional results in your projects.

Conclusion

The Husqvarna DM 700 Core Drill is a powerful ally in the construction and renovation industry, offering professionals the power, versatility, and durability they need to succeed. By choosing genuine Husqvarna parts from www.danseusa.com, you're investing in the longevity and efficiency of your core drill, ensuring it continues to meet your project's demands with unparalleled performance. Embrace the power of genuine parts and let the Husqvarna DM 700 transform your drilling projects into masterpieces of efficiency and precision.