Collection: DS 50 Gyro Core Drill Stand Parts by Husqvarna

Showing 1to 36of 73 items

View More
Elevate Your Core Drilling Experience with Husqvarna DS 50 Gyro Spare Parts

The Husqvarna DS 50 Gyro core drill stand is engineered for precision and durability, catering to professional demands for high-performance drilling solutions. This blog aims to guide professionals and enthusiasts in optimizing their Husqvarna DS 50 Gyro through the strategic use of spare parts, enhancing both performance and longevity.

Understanding the Husqvarna DS 50 Gyro

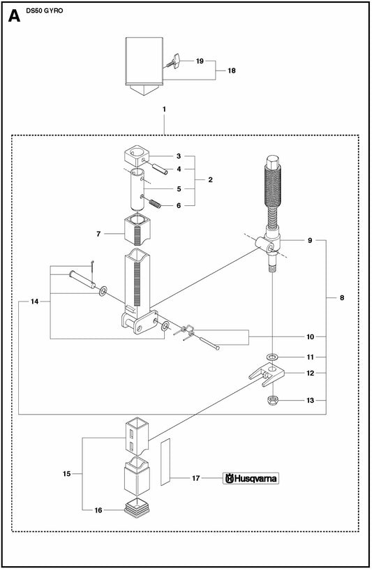
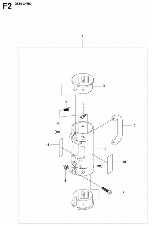
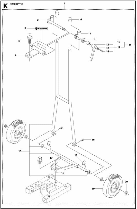
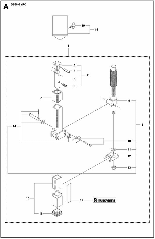
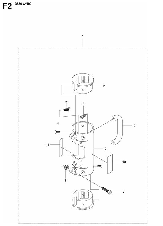
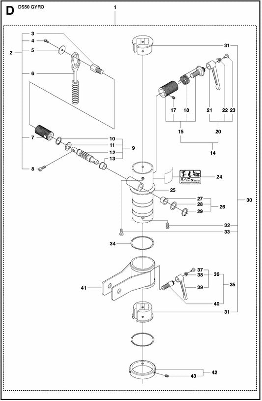
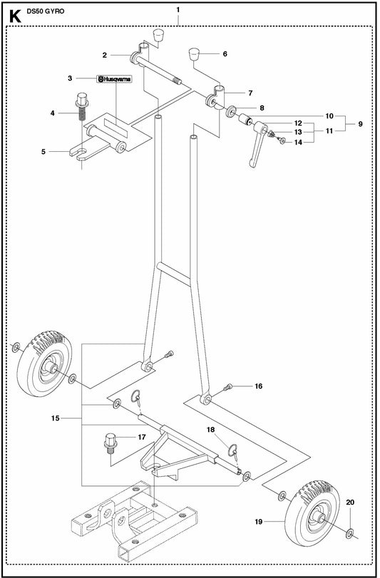
The Husqvarna DS 50 Gyro is a top-tier core drill stand designed for ease of use, versatility, and efficient drilling. With features such as a maximum drill bit diameter of 350mm and compliance with stringent safety and operational standards, it’s a go-to for demanding drilling tasks.

The Importance of Genuine Spare Parts

Using genuine spare parts for your Husqvarna DS 50 Gyro is crucial for maintaining its performance, safety, and warranty. Genuine parts ensure compatibility, reliability, and longevity, reducing downtime and operational costs in the long run.

Top Spare Parts for the Husqvarna DS 50 Gyro
  • Drill Bits: Regularly replacing drill bits with genuine Husqvarna parts ensures efficient and precise drilling.
  • Protective Equipment: Ensuring you have the latest in safety gear, including eye protection and gloves, is crucial for safe operation.
  • Mounting and Anchoring Equipment: Regular checks and replacements of mounts and anchors ensure stable and secure drilling.
  • Maintenance Kits: Regular maintenance is key. Having essential maintenance kits on hand ensures your equipment remains in top condition.
  • Benefits of Investing in Spare Parts
    • Minimized Downtime: Quick access to the right spare parts means less downtime and more productivity.
    • Extended Equipment Life: Regular maintenance and part replacement extend the lifespan of your equipment.
    • Cost Savings: Investing in maintenance and genuine spare parts can prevent costly repairs or replacements in the future.
    Where to Find Genuine Spare Parts

    For genuine Husqvarna DS 50 Gyro spare parts, visit www.danseusa.com. Offering a comprehensive range of parts, the website ensures you find exactly what you need to keep your equipment running smoothly.

    Conclusion

    Maintaining your Husqvarna DS 50 Gyro with genuine spare parts is essential for operational efficiency, safety, and longevity. Investing in the right parts and regular maintenance can significantly impact your drilling projects' success and profitability.