Collection: GT Pump Air Compressor Parts By Jenny

Search by Brand, Type & Model

1 :
2 :
3 :
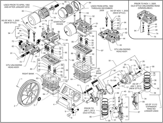
Shop By diagram:
Showing 1 to 1 of 1 items

Parts:
Showing 1 to 10 of 10 items

Genuine Jenny Air compressor Parts

Genuine OEM parts for all Jenny air compressor models are at the tip of your finger. We make it easier for you to identify the correct parts to repair your air compressor by helping you select the correct replacement parts from the parts diagrams for individual air compressors. Be it filters, regulators, or hoses, order factory genuine parts from us at the best prices from our user-friendly interface.

Orders usually ship in 3-4 business days

Factory genuine parts only

Returns may incur a restocking fee as per the manufacturer's policies

Please ensure the correctness of the parts prior to ordering.