Collection: HTH Series Ride-on Trowel Parts by Multiquip Whiteman

Search by Brand, Type & Model

1 :
2 :
3 :
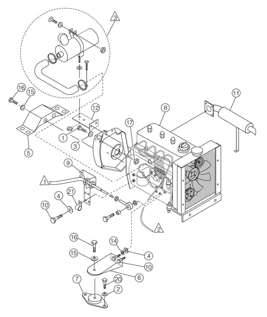
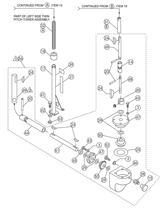
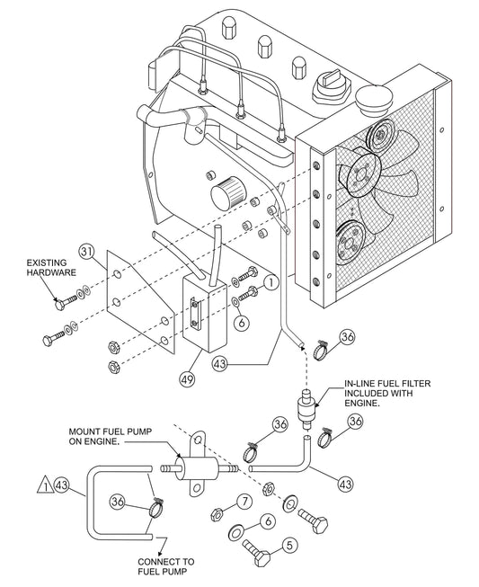
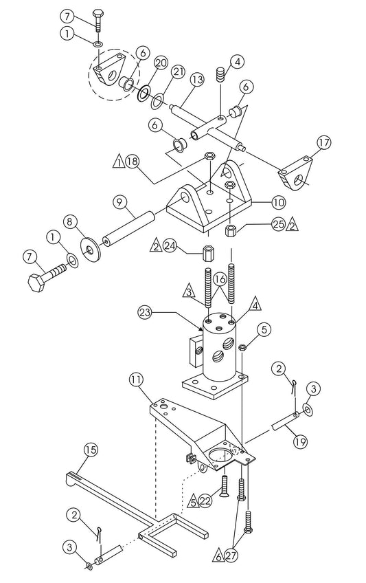
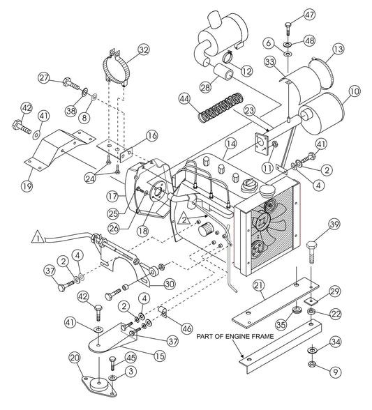
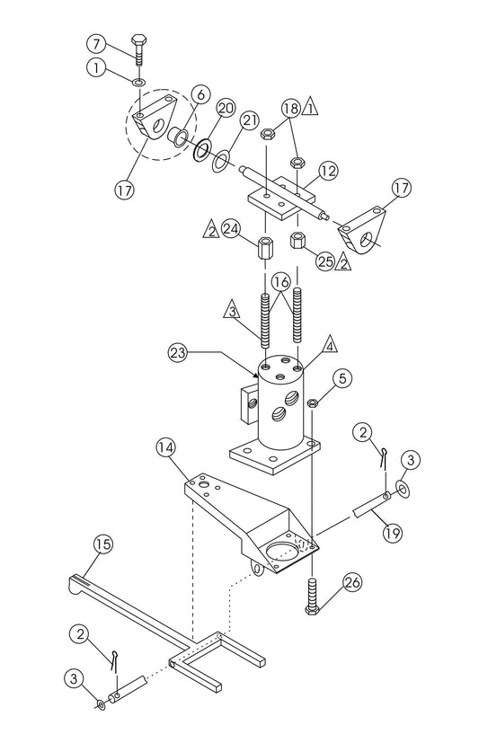
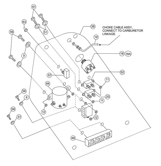
Shop By diagram:
Showing 1 to 31 of 31 items

Parts:
Showing 1 to 36 of 658 items

View More
HTH Series Ride-on Trowel Parts by Multiquip Whiteman

Multiquip Whiteman Hydrostatic Ride-on Trowel parts are available here at Danse Equipment; we offer genuine Multiquip parts which will allow you to extend and maintain the life of your equipment. We provide part diagrams in order for you to determine exactly what part you need as well. Multiquip Whiteman Ride-on Trowels are an industry favorite when it comes to trowels. 

You will find that our prices here at Danse Equipment are competitive and fair. We ensure that the parts are checked before shipping so that you may have peace of mind that your parts will arrive in good condition. Order the genuine Multiquip part that you need from us, your trusted parts and equipment distributor!