Collection: LG 400 Diesel Reversible Plate Compactor parts

Search by Brand, Type & Model

1 :
2 :
3 :
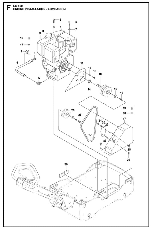
Shop By diagram:
Showing 1 to 35 of 35 items

Parts:
Showing 1 to 10 of 10 items

Authentic Spare Parts for Husqvarna LG 400 Reversible Plate Compactor

Optimize the compaction efficiency of your Husqvarna LG 400 Reversible Plate Compactor with our original spare parts. Designed specifically for your equipment, these parts ensure superior performance and longevity in compacting medium to deep granular soil.

  • Lombardini 15LD 440 Diesel Engine Parts: Precision-engineered to match the power and efficiency of the LG 400's diesel engine, featuring an electric start for ease of use.
  • Compaction Efficiency: Enhance your compactor's capability with parts designed for optimal compaction in confined spaces, an excellent alternative to rollers.
  • Durability and Reliability: Parts crafted from high-grade materials for durability, ensuring your compactor withstands the rigors of heavy use.
  • Ergonomic Design: Spare parts that contribute to the LG 400's ergonomic and service-friendly design, ensuring comfortable operation and easy maintenance.
  • Compaction Indicator Compatibility: Offering parts compatible with the optional compaction indicator for precision in compaction tasks.
  • Certified Husqvarna Quality: Purchase your spare parts from danseusa.com, the authorized dealer where authenticity and quality meet.


Frequently asked questions

How do I use this diagram?

Match the Ref. # on the diagram to the row in the parts list at the right. Click a part name to see details, price, and add it to cart.

How do I make sure a part fits my machine?

Confirm your model/series and serial number range on the product page. Many manufacturers have serial breaks, when in doubt, share your model and serial with us and we’ll verify fit.

What do the Ref. numbers and quantities mean?

The Ref. # points to the callout on the drawing. Qty shows how many of that item your machine uses. Parts are sold individually unless noted as a kit.

Are these genuine parts?

Yes, we supply genuine OEM parts for all our brands. If a part has an approved replacement, we ship the latest superseded revision

Why does my original part number look different?

Manufacturers often supersede numbers. Our pages list the current orderable number and show older numbers in the description when available. Your old number will cross-reference to the correct part.

I can’t find a part in this diagram, can you still get it?

Yes. Some items are not pictured or are shared with other assemblies. Send us the model, serial, and a description (or photo) and we’ll locate it.

Is there a warranty on these parts?

Yes. DanseUSA passes the manufacturer’s warranty to you. Coverage applies to defects in materials and workmanship under normal use for 30 days from the purchase date, in line with the manufacturer’s warranty policy. Terms can vary by brand; the product page reflects the applicable policy. If a claim is needed, we’ll help coordinate with the manufacturer.

Do you accept returns?

Yes, most new, uninstalled items can be returned under our standard policy. Please see our Returns & Refunds Policy for eligibility, timeframes, and any exceptions.