Collection: MAC1000 Makita Air Compressor Parts

Search by Brand, Type & Model

1 :
2 :
3 :

Makita MAC1000 Air Compressor parts

The Makita MAC1000 is a workhorse for trim carpenters because it doesn’t scream while you’re working indoors. But to keep it that quiet, you can’t just throw generic parts at it. Whether your pressure switch finally gave out or the pump is losing its power, we have the genuine Makita components to fix it right the first time.

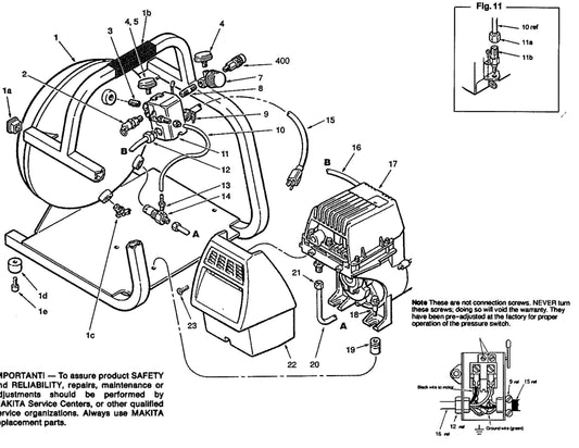
Parts Overview

Stop guessing which bolt or seal you need. Grab your model number and dive into our MAC1000 exploded diagrams. These breakdowns show you every nut and bolt inside the motor and frame, making it easy to see exactly what’s broken and how it fits back together.

MAC1000 Air Compressor, 1.5 HP Assembly Parts

This is where you’ll find everything attached to the tank and handle. If your compressor won't shut off or your gauges are smashed, look here:

  • Pressure Switches & Gauges: The parts that tell your compressor when to kick in and cut out.

  • Regulator Assembly: Essential for dialing in the exact PSI for your finish nailer.

  • Drain Valves & Feet: Small parts that matter, like petcocks that actually seal and rubber feet that won't scuff up a customer's hardwood floor.

MAC1000 Pump/Motor Assembly Parts

The MAC1000 runs on a low-RPM motor that’s built to last, but even these need a rebuild eventually. If it’s getting loud or taking forever to fill:

  • Piston & Cylinder Kits: The "top end" parts that restore your compression.

  • Valve Plates: If your compressor runs but won't build pressure, it’s usually these seals.

  • Capacitors & Shrouds: Everything you need to get the motor spinning or keep it from overheating.

Why Buy From DanseUSA

  • No "Universal" Junk: We only sell genuine Makita parts. They fit right, they last, and they won't void your warranty.

  • Fast Shipping: We know you’re losing money every day your compressor is down. We ship fast, usually straight from our warehouse.

  • Real Advice: Not sure what you're looking at on the diagram? Give us a call. We know these machines inside and out.

FAQs

Why is my MAC1000 humming but not pumping air?

This is often caused by a bad start capacitor or a stuck check valve. Check the Makita MAC1000 Air Compressor parts diagram to locate the capacitor on the motor assembly or inspect the check valve at the tank inlet.

Do you sell the drain valve separately?

Yes. The tank drain valve (often called a "petcock" or "drain cock" is a common maintenance item that can clog or corrode over time. We sell it individually so you can easily replace it without buying a whole new tank assembly.

How do I find the right part number?

We recommend using the exploded view diagrams provided on our site. Locate your part visually in the breakdown, note the reference number, and match it to our Makita MAC1000 Air Compressor parts list to ensure accurate ordering.

Frequently asked questions

How do I use this diagram?

Match the Ref. # on the diagram to the row in the parts list at the right. Click a part name to see details, price, and add it to cart.

How do I make sure a part fits my machine?

Confirm your model/series and serial number range on the product page. Many manufacturers have serial breaks, when in doubt, share your model and serial with us and we’ll verify fit.

What do the Ref. numbers and quantities mean?

The Ref. # points to the callout on the drawing. Qty shows how many of that item your machine uses. Parts are sold individually unless noted as a kit.

Are these genuine parts?

Yes, we supply genuine OEM parts for all our brands. If a part has an approved replacement, we ship the latest superseded revision

Why does my original part number look different?

Manufacturers often supersede numbers. Our pages list the current orderable number and show older numbers in the description when available. Your old number will cross-reference to the correct part.

I can’t find a part in this diagram, can you still get it?

Yes. Some items are not pictured or are shared with other assemblies. Send us the model, serial, and a description (or photo) and we’ll locate it.

Is there a warranty on these parts?

Yes. DanseUSA passes the manufacturer’s warranty to you. Coverage applies to defects in materials and workmanship under normal use for 30 days from the purchase date, in line with the manufacturer’s warranty policy. Terms can vary by brand; the product page reflects the applicable policy. If a claim is needed, we’ll help coordinate with the manufacturer.

Do you accept returns?

Yes, most new, uninstalled items can be returned under our standard policy. Please see our Returns & Refunds Policy for eligibility, timeframes, and any exceptions.