Collection: MAC4000 Makita Air Compressor Parts

Search by Brand, Type & Model

1 :
2 :
3 :

Makita MAC4000 Air Compressor Parts

The Makita MAC4000 is a heavy-duty 3.0 HP air compressor made for tough framing and roofing work. It’s known for strong output and job site durability, which is why so many pros rely on it for all-day use. To keep it performing the way it should, it’s best to stick with genuine Makita MAC4000 Air Compressor Parts.

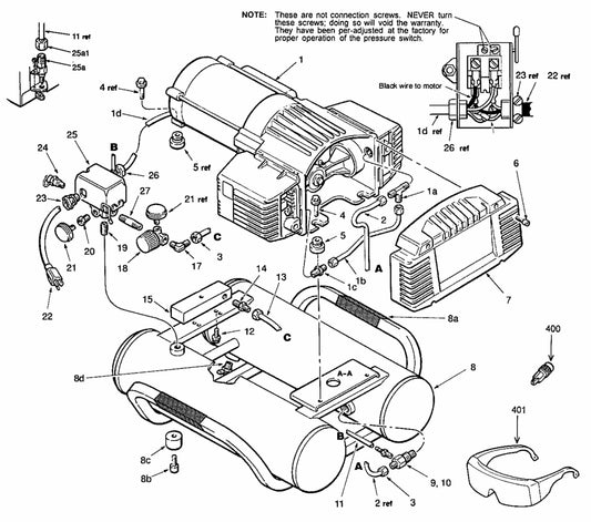
Parts Overview

Navigating repairs for a large compressor like this is easier with the right resources. Browse through our parts manuals, breakdowns and catalogs for Makita MAC4000 Air Compressors and select the right parts for your MAC4000. Our inventory is organized by assembly, ensuring you can quickly locate everything from simple gaskets to complex mechanical parts in our Makita MAC4000 Air Compressor Parts collection.

MAC4000 Air Compressor 3.0 HP Assembly Parts

This section focuses on the external components that protect and control the unit. If you need to replace a damaged gauge or a worn tank valve, look for MAC4000 Air Compressor 3.0 HP Assembly Parts. Key items in this category include:

  • Pressure Regulation: Heavy-duty pressure switches and regulators that manage the high-volume airflow.

  • Tank & Frame: Rugged wheels, handle grips, and vibration-dampening feet to keep the heavy unit stable on the job site.

  • Safety Valves: Critical relief valves that prevent the tank from over-pressurizing.

MAC4000 Motor/Pump Assembly Parts

The 3.0 HP motor and pump are the powerhouse of this machine. If your compressor is losing compression or overheating, you likely need MAC4000 Motor/Pump Assembly Parts. This section details the internal mechanics, including:

  • Cylinder & Piston: Large-bore components designed to produce maximum CFM at lower RPMs.

  • Valve Plates: Essential seals that regulate air intake and exhaust for efficient compression.

  • Crankshaft & Rods: Precision-engineered parts that convert motor power into air pressure.

  • Cooling Fans: Replacement fans and shrouds to dissipate heat during continuous operation.

Why Buy From DanseUSA

  • Authorized Dealer: We ship only genuine original Makita Parts from an authorized dealer at best prices. You get factory-standard quality every time.

  • Fast Delivery: We ship the parts for MAC4000 air compressors direct from our parts warehouse or from Makita direct for faster delivery to your site.

  • Complete inventory: Most MAC4000 repairs need specific parts, and we keep them all in one place so you’re not chasing hard-to-find pieces.

  • Technical expertise: If you’re stuck between two part numbers or unsure what fits, we can help you pick the correct part for your 3.0 HP setup.

FAQs

My MAC4000 trips the breaker. What is wrong?

This is often caused by a cold start or a failing start capacitor. Check the electrical diagram to locate the capacitor on the motor assembly. If the issue persists, the unloader valve may be stuck, causing high head pressure on startup.

Do you sell the air filter housing?

Yes. A damaged filter housing can let dust into the pump. We sell the complete air filter assembly as well as individual elements as part of our Makita MAC4000 Air Compressor Parts inventory.

Frequently asked questions

How do I use this diagram?

Match the Ref. # on the diagram to the row in the parts list at the right. Click a part name to see details, price, and add it to cart.

How do I make sure a part fits my machine?

Confirm your model/series and serial number range on the product page. Many manufacturers have serial breaks, when in doubt, share your model and serial with us and we’ll verify fit.

What do the Ref. numbers and quantities mean?

The Ref. # points to the callout on the drawing. Qty shows how many of that item your machine uses. Parts are sold individually unless noted as a kit.

Are these genuine parts?

Yes, we supply genuine OEM parts for all our brands. If a part has an approved replacement, we ship the latest superseded revision

Why does my original part number look different?

Manufacturers often supersede numbers. Our pages list the current orderable number and show older numbers in the description when available. Your old number will cross-reference to the correct part.

I can’t find a part in this diagram, can you still get it?

Yes. Some items are not pictured or are shared with other assemblies. Send us the model, serial, and a description (or photo) and we’ll locate it.

Is there a warranty on these parts?

Yes. DanseUSA passes the manufacturer’s warranty to you. Coverage applies to defects in materials and workmanship under normal use for 30 days from the purchase date, in line with the manufacturer’s warranty policy. Terms can vary by brand; the product page reflects the applicable policy. If a claim is needed, we’ll help coordinate with the manufacturer.

Do you accept returns?

Yes, most new, uninstalled items can be returned under our standard policy. Please see our Returns & Refunds Policy for eligibility, timeframes, and any exceptions.