Collection: MS 610 G Tile and Masonry Saw Parts by Husqvarna

Showing 1to 10of 10 items

Maintenance and Repair Tips for Husqvarna MS 610 G

Introduction

The Husqvarna MS 610 G is a robust, gasoline-powered masonry saw designed for heavy-duty cutting tasks. Regular maintenance is key to ensuring it performs optimally and safely. Here are essential tips for maintaining and repairing your Husqvarna MS 610 G, along with how Danse USA can provide you with genuine spare parts.

Regular Maintenance

1. Daily Maintenance:

  • Blade Guard Inspection: Regularly check the blade guard for any signs of wear or damage. A damaged guard can compromise safety and accuracy.
  • Hoses and Clamps Check: Ensure all hoses and clamps are secure and undamaged. Replace any worn or damaged components promptly.
  • Reservoir Pan Cleaning: Clean the reservoir pan frequently to prevent slurry buildup and ensure effective water flow.
  • Water Pump Flushing: Flush clean water through the pump and hoses at the end of each day to extend their lifespan and maintain performance.

2. Weekly and Monthly Checks:

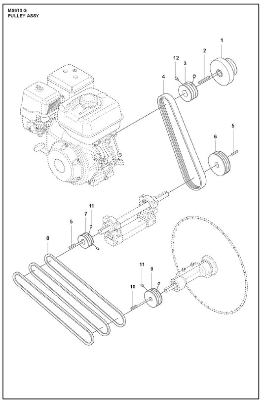
  • V-Belt Tension: Regularly check the tension of the blade drive V-belts. Avoid over-tensioning to prevent undue stress on the engine.
  • Bearings and Wheels: Replace any noisy or worn bearings immediately. Inspect the conveyor cart wheels and replace them as needed.
  • Alignment: Ensure the cutting head is properly aligned to avoid blade misalignment, which can affect cutting accuracy and blade life.

Essential Repairs

1. Blade Replacement:

  • Replace the diamond blade when it becomes dull or damaged. Use dressing sticks to dress the blades efficiently.
  • Ensure the blade flanges are at least 4 inches in diameter for proper blade function and safety.

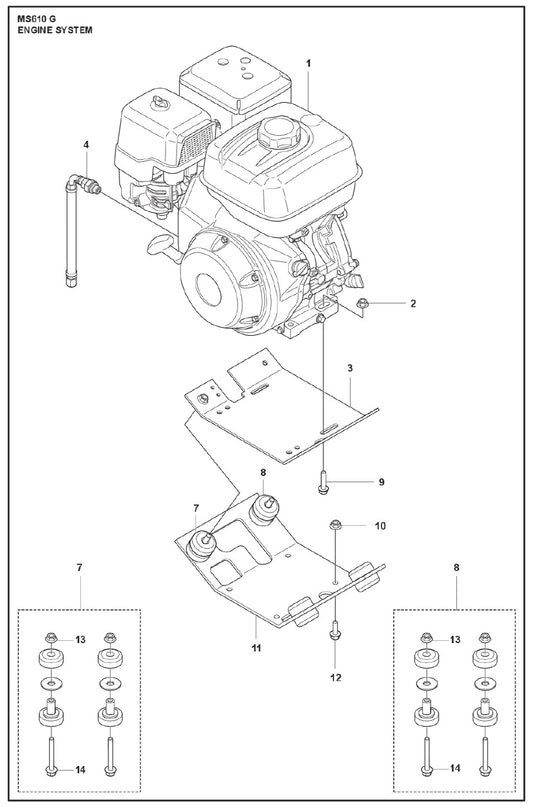
2. Engine and Pump Maintenance:

  • For gasoline models, ensure the engine is regularly serviced, and oil levels are maintained.
  • Regularly inspect and maintain the water pump to ensure it delivers adequate water flow for cooling and dust suppression.

Genuine Parts from Danse USA

Using genuine parts is crucial for the longevity and performance of your Husqvarna MS 610 G. Danse USA offers a wide range of genuine Husqvarna parts to meet all your repair and maintenance needs. From blade guards and V-belts to water pumps and bearings, we provide high-quality parts to keep your saw operating at its best.

Conclusion

Regular maintenance and timely repairs are essential for the best performance from your Husqvarna MS 610 G masonry saw. By following these tips and using genuine parts from Danse USA, you can ensure your saw remains reliable and efficient for all your masonry cutting needs. Visit Danse USA today to explore our range of genuine Husqvarna parts and keep your equipment in top condition.