Collection: SP6000K1 - 6-1/2 Plunge Circular Saw With 55" Guide Rail Parts By Makita
Search by Brand, Type & Model
Can’t see your part yet?
We probably have it off-catalog.
Call +1(202)6301027 or email customerservice@danseusa.com and we’ll hunt it down today
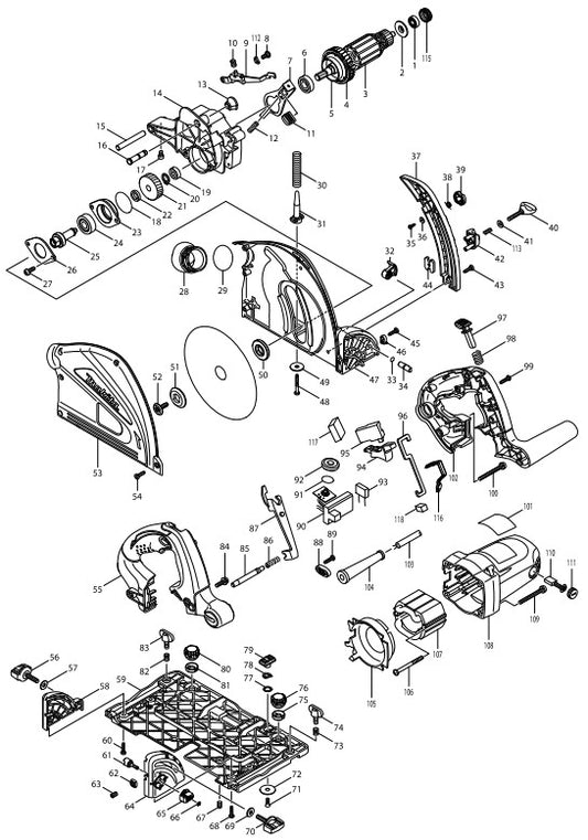
SP6000K1 - 6-1/2 Plunge Circular Saw With 55" Guide Rail parts from Makita
Browse through our detailed parts catalog and diagrams for SP6000K1 - 6-1/2 Plunge Circular Saw With 55" Guide Rail by Makita to identify and order the correct parts for your Makita Circular Saw. Order original SP6000K1 - 6-1/2 Plunge Circular Saw With 55" Guide Rail parts online from authorised Makita dealer.
Frequently asked questions
How do I use this diagram?
Match the Ref. # on the diagram to the row in the parts list at the right. Click a part name to see details, price, and add it to cart.
How do I make sure a part fits my machine?
Confirm your model/series and serial number range on the product page. Many manufacturers have serial breaks, when in doubt, share your model and serial with us and we’ll verify fit.
What do the Ref. numbers and quantities mean?
The Ref. # points to the callout on the drawing. Qty shows how many of that item your machine uses. Parts are sold individually unless noted as a kit.
Are these genuine parts?
Yes, we supply genuine OEM parts for all our brands. If a part has an approved replacement, we ship the latest superseded revision
Why does my original part number look different?
Manufacturers often supersede numbers. Our pages list the current orderable number and show older numbers in the description when available. Your old number will cross-reference to the correct part.
I can’t find a part in this diagram, can you still get it?
Yes. Some items are not pictured or are shared with other assemblies. Send us the model, serial, and a description (or photo) and we’ll locate it.
Is there a warranty on these parts?
Yes. DanseUSA passes the manufacturer’s warranty to you. Coverage applies to defects in materials and workmanship under normal use for 30 days from the purchase date, in line with the manufacturer’s warranty policy. Terms can vary by brand; the product page reflects the applicable policy. If a claim is needed, we’ll help coordinate with the manufacturer.
Do you accept returns?
Yes, most new, uninstalled items can be returned under our standard policy. Please see our Returns & Refunds Policy for eligibility, timeframes, and any exceptions.