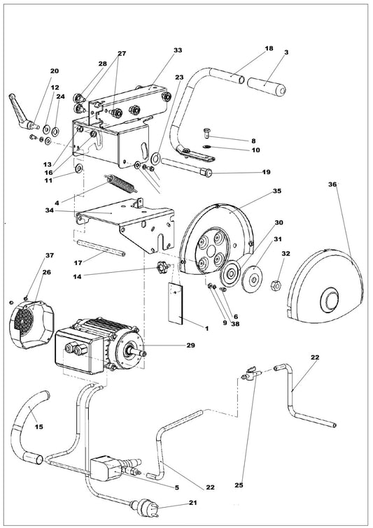
Collection: TS 66 R Tile Saw Parts by Husqvarna

Showing 1to 10of 10 items

Essential Maintenance Tips for Your Husqvarna TS 66 R Saw

The Husqvarna TS 66 R Tile and Masonry Saw is a powerful and precise tool designed for professional contractors and serious DIY enthusiasts. Known for its durability and high performance, the TS 66 R is ideal for a wide range of cutting tasks. To ensure this premium saw operates at its best, regular maintenance is crucial. In this blog, we will discuss the importance of maintaining the TS 66 R saw, key parts that require regular attention, and the benefits of using genuine parts from authorized dealers like Danse USA.

Why Maintenance is Important

Maintaining your Husqvarna TS 66 R saw is crucial for several reasons:

  • Performance: Consistent maintenance ensures that the saw provides accurate and efficient cuts every time.
  • Safety: Proper upkeep reduces the risk of malfunctions and ensures the saw operates safely.
  • Durability: Routine care extends the lifespan of the saw, protecting your investment and ensuring it remains a reliable tool for years to come.
  • Key Parts Requiring Maintenance

  • Blade Guard: Essential for safety, the blade guard prevents debris and fragments from being thrown toward the operator. Regularly inspect the guard for any signs of wear or damage and replace it as necessary.

  • Water Management System: The TS 66 R features an advanced water management system that cools the blade and reduces dust. Ensure the water pump functions correctly, clean the water tray after each use, and maintain the proper water level to prevent overheating and prolong blade life.

  • Carbon Brushes: These components wear out over time and need to be checked and replaced regularly. Inspect the carbon brushes frequently, especially if the saw is used daily, to avoid motor issues.

  • Power Switch: The power switch should reliably start and stop the machine. Test it regularly to ensure it is functioning correctly and replace it if any problems arise.

  • Conveyor Cart: The conveyor cart should move smoothly along its guides. Clean the rollers and guides, and adjust them if the cart becomes difficult to maneuver.

  • Maintenance Tips for the TS 66 R Saw

    • Daily Cleaning: After each use, clean the saw’s exterior and remove any debris from the blade guard and water tray. Avoid using high-pressure washers as they can damage the motor and electrical components.
    • Regular Inspections: Conduct regular checks on all safety equipment, including the blade guard, power switch, and carbon brushes. Replace any worn or damaged parts immediately.
    • Proper Storage: Store the saw in a dry, secure area to prevent unauthorized use and protect it from environmental damage.

    The Importance of Genuine Parts

    Using genuine Husqvarna parts is essential for maintaining the performance and safety of your TS 66 R saw. Genuine parts are specifically designed to fit and function perfectly with your saw, ensuring optimal performance and longevity. Non-genuine parts may not provide the same level of reliability and can even cause damage to your machine.

    Procuring Genuine Parts from Authorized Dealers

    When it comes to sourcing genuine parts for your Husqvarna TS 66 R saw, it is essential to choose authorized dealers like Danse USA. As an authorized dealer, Danse USA guarantees the authenticity and quality of the parts you purchase. We offer a comprehensive selection of replacement parts, ensuring that you can find everything you need to keep your saw in top condition.

    Conclusion

    Maintaining your Husqvarna TS 66 R saw is essential for its performance, safety, and longevity. By focusing on key components such as the blade guard, water management system, carbon brushes, power switch, and conveyor cart, you can ensure your saw operates efficiently and safely. Always use genuine parts from authorized dealers like Danse USA to guarantee the best results and protect your investment. Trust Danse USA for all your Husqvarna repair and maintenance needs.