Collection: MAC2200 Makita Air Compressor Parts

Search by Brand, Type & Model

1 :
2 :
3 :

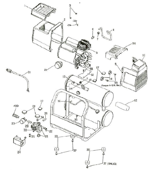
MAC2200 2 H.P Air Compressor Assembly Parts

The Makita MAC2200 is one of those compressors people keep around for years. It’s known for strong output, and a quieter run. Like any tool that gets real use, though, parts don’t last forever. Gauges get damaged, valves wear out, fittings loosen, and switches eventually fail.

DanseUSA carries genuine MAC2200 2 H.P air compressor parts, so you can replace what’s worn and get the unit back to normal operation without guesswork.

Parts Overview

Finding the right part is easier when you start with the diagram. Our MAC2200 catalog follows the Makita breakdown, so you can match the part number and order the correct item the first time. Whether you’re replacing a small tank fitting or working deeper into the compressor, the diagram keeps things simple.

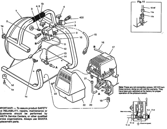
MAC2200 2 H.P Air Compressor Assembly Parts (Tank, Controls & Frame)

This section covers the outside hardware and the pressure-control side of the compressor. If your MAC2200 has a small air leak, a broken gauge, or a fitting that needs to be replaced, this is usually the right place to start.

Common parts in this section include:

  • Pressure switch and regulator parts – used for cut-in/cut-out operation and outlet pressure control

  • Tank fittings – drain valve, safety relief valve, discharge tube, and related connections

  • Frame pieces – rubber feet and handle grips for stability and easier handling

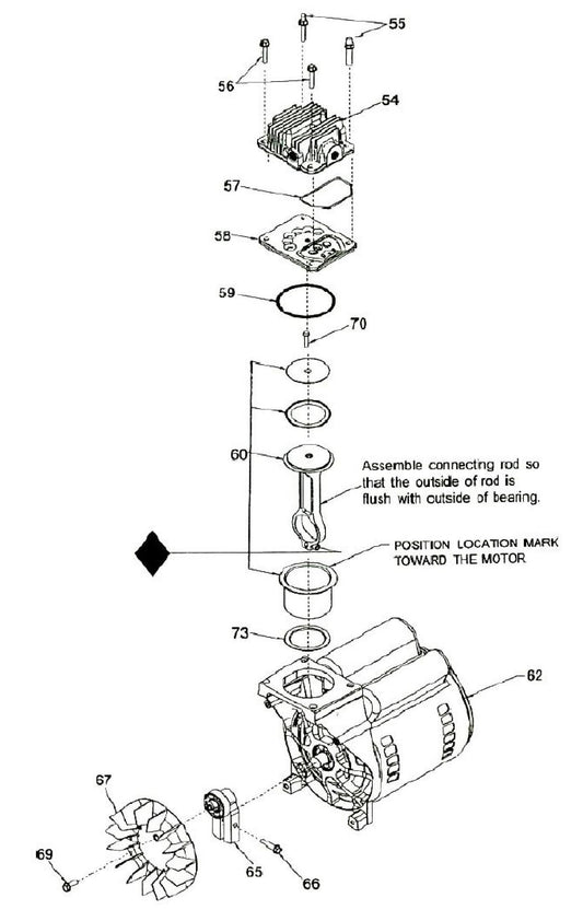
MAC2200 Pump / Motor Assembly Parts

If the compressor sounds rough, struggles to build pressure, or isn’t performing the way it used to, the issue is often inside the pump or motor area. These are the main working components that handle compression and airflow.

This section includes parts such as:

  • Cylinder and piston parts – the components that do the compression work

  • Valve plate parts – control air flow through the pump head during operation

  • Crankshaft and bearing parts – support smooth movement and consistent operation

  • Fans and covers – help with airflow and motor cooling during use

Why Buy From DanseUSA

  • Authorized retailer – MAC2200 parts are genuine OEM components

  • Fast shipping – ships from our warehouse or direct from Makita (based on availability)

  • Correct fit – OEM parts match the original specs for the MAC2200

  • Support when needed – help reading diagrams and matching the right part number

FAQs

Does the MAC2200 require oil?

No. The Makita MAC2200 is an oil-free (oilless) air compressor. You do not add oil and there are no oil changes required.

Why is air leaking from the pressure switch?

A leak at the pressure switch area is often caused by the tank check valve, not the switch itself. When the check valve doesn’t seal properly, air can bleed back and escape through the unloader valve near the switch. Use the parts diagram to identify the check valve for your MAC2200.

Do you sell the air filter assembly?

Yes. We carry the air filter assembly and filter elements for the MAC2200. Replacing a dirty filter helps keep airflow steady and keeps debris out of the pump.

 

Frequently asked questions

How do I use this diagram?

Match the Ref. # on the diagram to the row in the parts list at the right. Click a part name to see details, price, and add it to cart.

How do I make sure a part fits my machine?

Confirm your model/series and serial number range on the product page. Many manufacturers have serial breaks, when in doubt, share your model and serial with us and we’ll verify fit.

What do the Ref. numbers and quantities mean?

The Ref. # points to the callout on the drawing. Qty shows how many of that item your machine uses. Parts are sold individually unless noted as a kit.

Are these genuine parts?

Yes, we supply genuine OEM parts for all our brands. If a part has an approved replacement, we ship the latest superseded revision

Why does my original part number look different?

Manufacturers often supersede numbers. Our pages list the current orderable number and show older numbers in the description when available. Your old number will cross-reference to the correct part.

I can’t find a part in this diagram, can you still get it?

Yes. Some items are not pictured or are shared with other assemblies. Send us the model, serial, and a description (or photo) and we’ll locate it.

Is there a warranty on these parts?

Yes. DanseUSA passes the manufacturer’s warranty to you. Coverage applies to defects in materials and workmanship under normal use for 30 days from the purchase date, in line with the manufacturer’s warranty policy. Terms can vary by brand; the product page reflects the applicable policy. If a claim is needed, we’ll help coordinate with the manufacturer.

Do you accept returns?

Yes, most new, uninstalled items can be returned under our standard policy. Please see our Returns & Refunds Policy for eligibility, timeframes, and any exceptions.