Collection: MAC6000 Makita Air Compressor Parts

Search by Brand, Type & Model

1 :
2 :
3 :

MAC6000 Makita Air Compressor Parts

The Makita MAC6000 is a 6.0 HP gas air compressor designed for the toughest framing and roofing applications. Its pump and powerful engine provide the recovery time needed for multi-tool operation on remote sites. To keep this workhorse running efficiently, regular maintenance using genuine MAC6000 Makita Air Compressor Parts is critical. At DanseUSA, we supply the complete range of components for both the cast-iron pump and the combustion engine to ensure your equipment stays reliable.

Parts Overview

Navigating the repair of a dual-system machine like the MAC6000 can be complex. Browse through our parts manuals, breakdowns and catalogs for Makita MAC6000 Air Compressors and select the right parts for your MAC6000. Our inventory allows you to easily identify specific components, from internal engine rods to external pneumatic controls, ensuring you get the correct MAC6000 Makita Air Compressor Parts for the job.

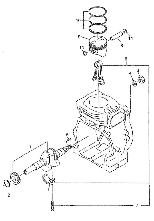
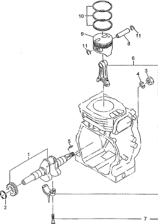
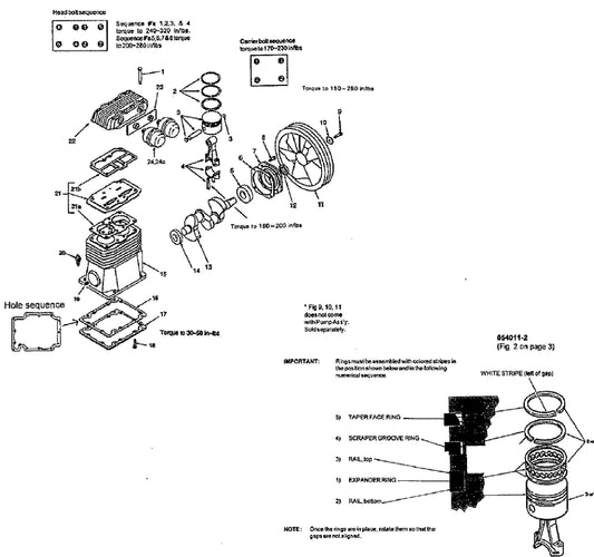
MAC6000 Pump Assembly Parts

The pump is the heart of the pneumatic system. If your unit is struggling to build pressure, you may need MAC6000 Pump Assembly Parts. This section includes the cylinder head, valve plates, and pistons responsible for the  performance. Replacing worn seals and plates restores the compressor's efficiency and reduces recovery time.

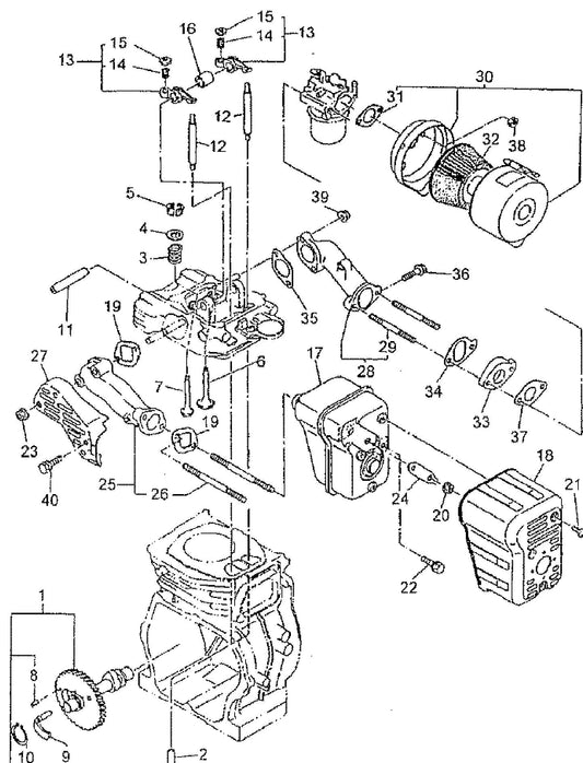
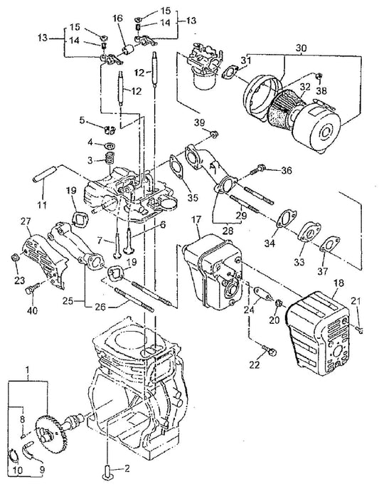
MAC6000 Gas Engine Assembly Parts

The combustion engine requires its own set of specific components. We stock essential MAC6000 Gas engine Parts to keep the power source running smoothly. From the spark plug to the ignition coil, ensuring your engine is tuned up prevents job site delays caused by hard starting or rough idling.

MAC6000 Crankshaft & Camshaft Assembly Parts

For deeper engine repairs, precision is key. We supply MAC6000 Crankshaft Assembly Parts and MAC6000 Camshaft Assembly Parts to address major mechanical failures. These internal components are manufactured to exact factory specifications, ensuring proper timing and durability under heavy loads.

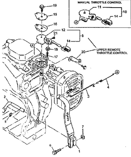
MAC6000 Throttle Control & Fuel Systems

Efficient engine speed regulation reduces fuel consumption and noise. We stock MAC6000 Throttle Control Assembly Parts and MAC6000 Fuel Tank Assembly Parts to manage the engine's RPM and fuel supply. Replacing a damaged throttle spring or leaking fuel line is essential for safe operation.

MAC6000 Air Compressor Assembly Parts

This section covers the tank and frame components. Common replacement items include the pilot unloader valve, pressure gauges, and drain valves found in our MAC6000 Air Compressor Assembly Parts list. These parts manage the compressed air storage and ensure safety compliance.

MAC6000 Recoil Starter & Flywheel

If you are having trouble turning the engine over, check the starter mechanism. We offer MAC6000 Recoil Starter Assembly Parts and MAC6000 Flywheel Assembly Parts. A fresh recoil spring or rope can make starting the 6.0 HP engine much easier on cold mornings.

Why Buy From DanseUSA

  • Authorized Dealer: We ship only genuine original Makita Parts from an authorized dealer at best prices. You can trust the quality of every screw and seal.

  • Fast Shipping: We ship the parts for MAC6000 air compressors direct from our parts warehouse or from Makita direct for faster delivery to your site.

  • Gas Unit Expertise: We understand the complexity of gas-powered compressors and stock the full range of MAC6000 Makita Air Compressor Parts.

  • Reliable Support: Our team can help you navigate the diagrams to ensure you order the correct engine or pump component.

FAQs

What oil does the MAC6000 require?

The MAC6000 has two separate oil reservoirs. The gas engine typically uses 10W-30 motor oil, while the compressor pump uses non-detergent air compressor oil. Always consult your manual and use genuine MAC6000 Makita Air Compressor Parts filters during changes.

Why does the engine run but the tank won't fill?

This is often caused by a slipping drive belt or a stuck pilot valve. Check the belt tension between the engine and pump. If the pilot valve is stuck open, the compressor will vent air continuously.

Do you sell the carburetor separately?

Yes. If cleaning the carburetor does not resolve idling issues, we sell the complete carburetor assembly. This is often the most reliable way to restore proper performance to older MAC6000 Gas engine Parts.

Frequently asked questions

How do I use this diagram?

Match the Ref. # on the diagram to the row in the parts list at the right. Click a part name to see details, price, and add it to cart.

How do I make sure a part fits my machine?

Confirm your model/series and serial number range on the product page. Many manufacturers have serial breaks, when in doubt, share your model and serial with us and we’ll verify fit.

What do the Ref. numbers and quantities mean?

The Ref. # points to the callout on the drawing. Qty shows how many of that item your machine uses. Parts are sold individually unless noted as a kit.

Are these genuine parts?

Yes, we supply genuine OEM parts for all our brands. If a part has an approved replacement, we ship the latest superseded revision

Why does my original part number look different?

Manufacturers often supersede numbers. Our pages list the current orderable number and show older numbers in the description when available. Your old number will cross-reference to the correct part.

I can’t find a part in this diagram, can you still get it?

Yes. Some items are not pictured or are shared with other assemblies. Send us the model, serial, and a description (or photo) and we’ll locate it.

Is there a warranty on these parts?

Yes. DanseUSA passes the manufacturer’s warranty to you. Coverage applies to defects in materials and workmanship under normal use for 30 days from the purchase date, in line with the manufacturer’s warranty policy. Terms can vary by brand; the product page reflects the applicable policy. If a claim is needed, we’ll help coordinate with the manufacturer.

Do you accept returns?

Yes, most new, uninstalled items can be returned under our standard policy. Please see our Returns & Refunds Policy for eligibility, timeframes, and any exceptions.