Collection: MS 610 Tile and Masonry Saw Parts by Husqvarna

Search by Brand, Type & Model

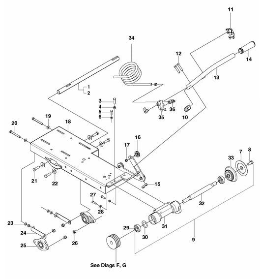
1 :
2 :
3 :
Repair and Maintenance Tips for Husqvarna MS 610

Introduction

The Husqvarna MS 610 is a reliable masonry saw known for its precision, low vibrations, and ease of transport. Regular maintenance is crucial to ensure it continues to perform efficiently and safely. Here are some essential tips for maintaining and repairing your Husqvarna MS 610, and how Danse USA can be your trusted source for genuine spare parts.

Regular Maintenance

1. Daily Maintenance:

  • Check Blade Guard: Inspect the blade guard for any signs of damage. A damaged guard can lead to safety hazards and inaccurate cuts.
  • Inspect Hoses and Clamps: Ensure all hoses and clamps are secure and free of damage. Replace any worn or damaged parts promptly.
  • Clean Reservoir Pan: Frequently clean the reservoir pan to prevent slurry buildup and ensure efficient water flow.
  • Flush Water Pump: At the end of each day, flush clean water through the pump and hoses to prolong their life and maintain performance.

2. Weekly and Monthly Checks:

  • Blade Shaft Drive: Regularly check the tension of the blade drive V-belts. Do not over-tension as this can cause undue stress on the motor or engine.
  • Bearings and Wheels: Replace any noisy or worn bearings immediately. Check the condition of the conveyor cart wheels and replace them if necessary.
  • Alignment: Ensure the cutting head is correctly aligned to prevent blade misalignment, which can seriously affect blade life and cutting accuracy.

Essential Repairs

1. Blade Replacement:

  • Replace the diamond blade when it becomes dull or damaged. Use dressing sticks to efficiently dress the blades.
  • Always ensure the blade flanges are at least 4 inches in diameter to maintain proper blade function and safety.

2. Motor and Pump Maintenance:

  • For electric models, verify all electrical connections are intact and secure.
  • For gasoline models, ensure the engine is regularly serviced, and oil levels are maintained.
  • Regularly inspect and maintain the water pump to ensure it delivers adequate water flow for cooling and dust suppression.

Genuine Parts from Danse USA

Using genuine parts is crucial for the longevity and performance of your Husqvarna MS 610. Danse USA offers a wide range of genuine Husqvarna parts to meet all your repair and maintenance needs. From blade guards and V-belts to water pumps and bearings, we provide high-quality parts that ensure your saw operates at its best.

Conclusion

Regular maintenance and timely repairs are key to getting the best performance from your Husqvarna MS 610 masonry saw. By following these tips and using genuine parts from Danse USA, you can ensure your saw remains reliable and efficient for all your masonry cutting needs. Visit Danse USA today to explore our range of genuine Husqvarna parts and keep your equipment in top condition.