Search by Brand, Type & Model

1 :
2 :
3 :

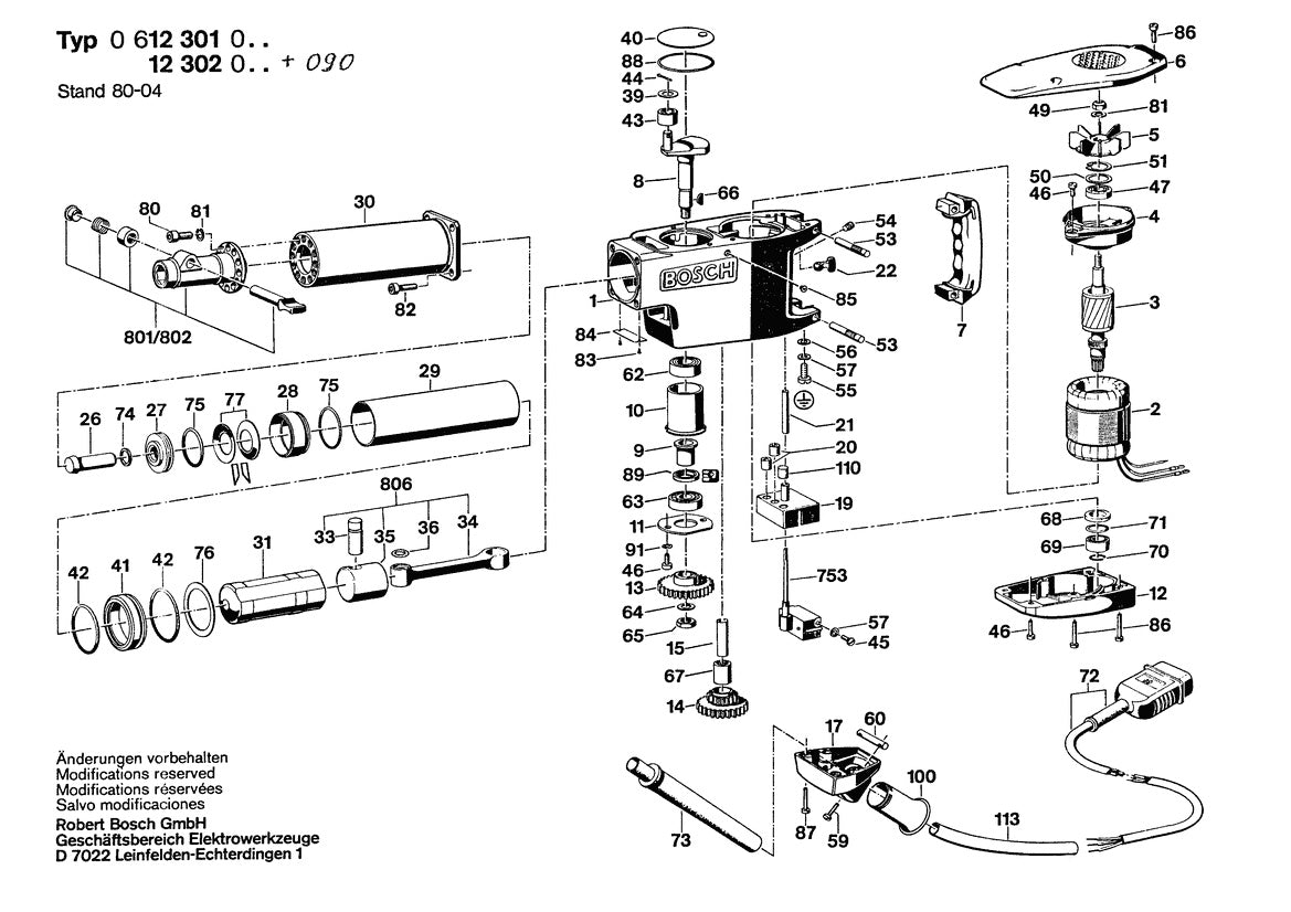
0612302018 Bosch Un-Demolition Hammer Bosch Demolition Hammer Parts Diagram

0612302018 Bosch Un-Demolition Hammer Bosch Demolition Hammer Parts Diagram

Skip to product information
1 of 1
100% genuine product
Authorised dealer
Ref. Product details Price Qty Action
82
2910141244 Hex-socket-head Cap Screw by Bosch
$3.91
59
2910011132 Cheese Head Screw by Bosch
$3.91
73
1610703011 Grommet | Genuine OEM Bosch Part
$17.80
64
2916160009 Disc Spring | Genuine OEM Bosch Part
$3.91
46
2910141201 Hex-socket-head Cap Screw by Bosch
$4.89
83
2917721034 Round-head Grooved Pin by Bosch
$3.91
75
1900210145 Seal Ring | Genuine OEM Bosch Part
$3.91
49
2915061005 Nut | Genuine OEM Bosch Part
$3.91
44
1904681350 Cotter Pin | Genuine OEM Bosch Part
$3.91
47
1610905001 Ball Bearing by Bosch
$17.96
69
1610910007 Needle Bearing by Bosch
$31.26
81
2916690007 Lock Washer | Genuine OEM Bosch Part
$3.91
63
1610900013 Ball Bearing by Bosch
$12.34
View full details

Frequently asked questions

How do I use this diagram?

Match the Ref. # on the diagram to the row in the parts list at the right. Click a part name to see details, price, and add it to cart.

How do I make sure a part fits my machine?

Confirm your model/series and serial number range on the product page. Many
manufacturers have serial breaks, when in doubt, share your model and serial with us and we’ll verify fit.

What do the Ref. numbers and quantities mean?

The Ref. # points to the callout on the drawing. Qty shows how many of that item your
machine uses. Parts are sold individually unless noted as a kit.

Are these genuine parts?

Yes, we supply genuine OEM parts for all our brands. If a part has an approved
replacement, we ship the latest superseded revision.

Why does my original part number look different?

Manufacturers often supersede numbers. Our pages list the current orderable number and show older numbers in the description when available. Your old number will cross-reference to the correct part.

I can’t find a part in this diagram, can you still get it?

Yes. Some items are not pictured or are shared with other assemblies. Send us the model, serial, and a description (or photo) and we’ll locate it.

Is there a warranty on these parts?

Yes. DanseUSA passes the manufacturer’s warranty to you. Coverage applies to defects in materials and workmanship under normal use for 30 days from the purchase date, in line with the manufacturer’s warranty policy. Terms can vary by brand; the product page reflects
the applicable policy. If a claim is needed, we’ll help coordinate with the manufacturer.

Do you accept returns?

Yes, most new, uninstalled items can be returned under our standard policy. Please see our Returns & Refunds Policy for eligibility, timeframes, and any exceptions.