1
/
of
1
100% genuine product
Authorised dealer
| Ref. | Product details | Price | Qty | Action |
|---|---|---|---|---|
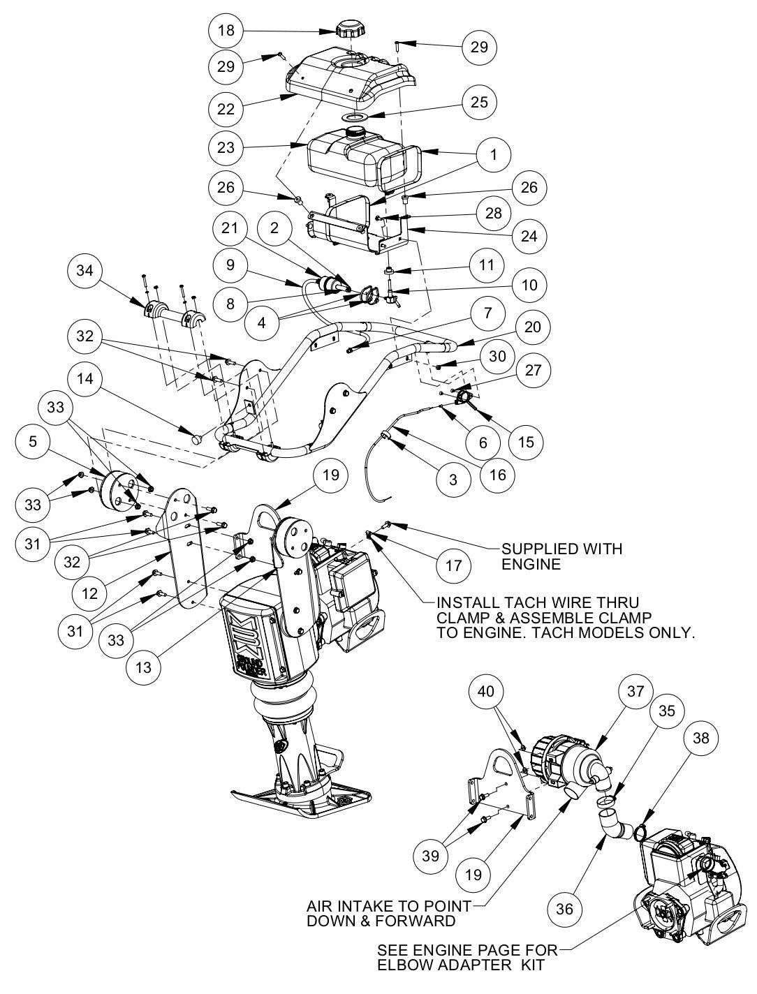
| 22 |
F051807FWS Flange Head Screw, 5/16-18 X 7/8 Lg. for AP15 Plate Compactors by MBW Genuine Parts
|
$4.79 |
|
|
| 30 |
F051807FWS Flange Head Screw, 5/16-18 X 7/8 Lg. for AP15 Plate Compactors by MBW Genuine Parts
|
$4.79 |
|
|
| 23 |
F051808FWS Flange Lock Screw, 5/16-18 X1 Lg. for GP5800H Plate Compactors by MBW Genuine Parts
|
$3.42 |
|
|
| 24 |
F0518FN Flange Lock Nut, 5/16-18 for AP15 Plate Compactors by MBW Genuine Parts
|
$3.42 |
|
|
| 31 |
F0518FN Flange Lock Nut, 5/16-18 for AP15 Plate Compactors by MBW Genuine Parts
|
$3.42 |
|
