1
/
of
1
100% genuine product
Authorised dealer
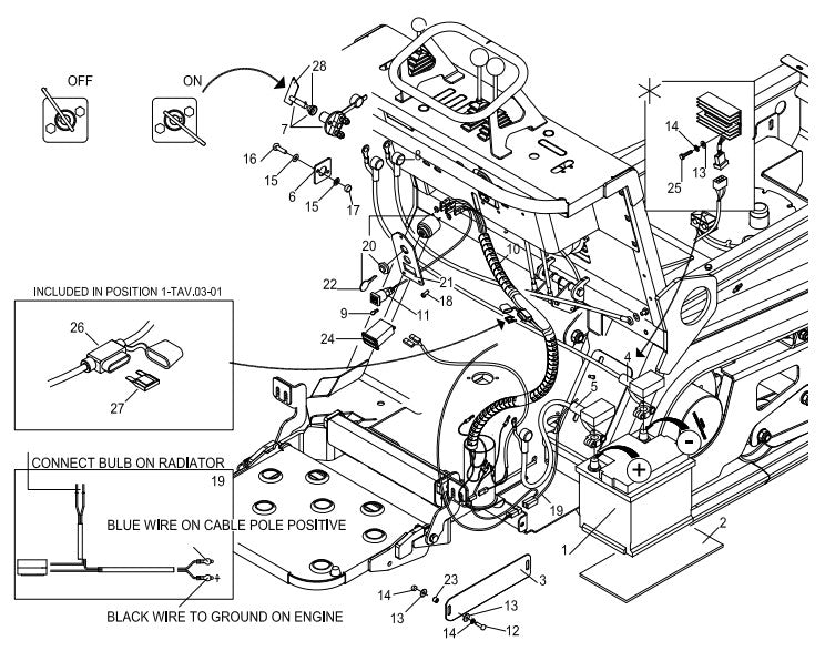
| Ref. | Product details | Price | Qty | Action |
|---|---|---|---|---|
| 7 |
065264 Battery Disconnecting Device (Tab 0 by Allen Enginnering
|
$82.17 |
|
|
| 10 |
070058 At14 Wiring Harness by Allen Enginnering
|
$963.63 |
|
|
| 14 |
069939 WASHER, PLASTIC by Allen Engineering
|
$3.99 |
|
|
| 15 |
068667 Nut by Allen Enginnering
|
$3.99 |
|
|
| 17 |
068667 Nut by Allen Enginnering
|
$3.99 |
|
|
| 20 |
065265 Starting Key Block (Tab 03-05 Pos 2 by Allen Enginnering
|
$116.53 |
|
|
| 24 |
065625 Hour Counter by Allen Enginnering
|
$250.99 |
|
|
| 28 |
070053 Key, Battery Disconnect by Allen Enginnering
|
$29.13 |
|
