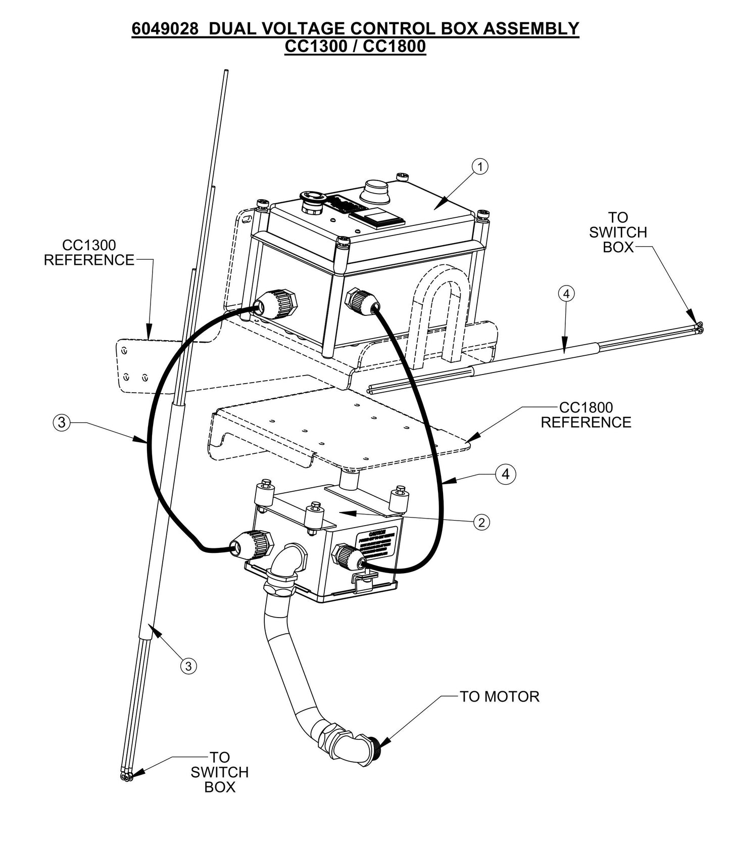
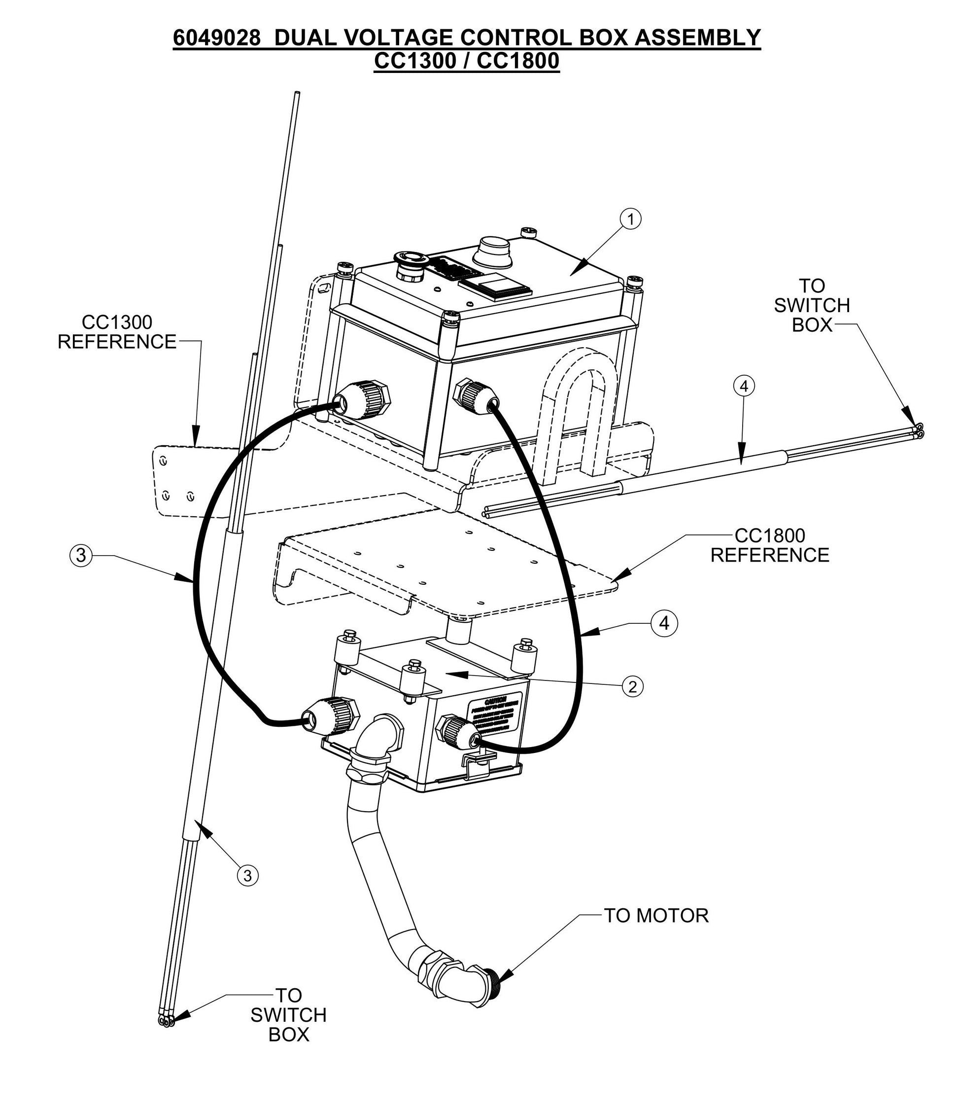
CC1300 Dual Voltage Control Box Assembly Parts Fig 1

CC1300 Dual Voltage Control Box Assembly Parts Fig 1

Skip to product information
1 of 1
Ref. Details
1
Diamond Products DUAL VOLT STARTER BOX 15 HP, 3 PH, 230/460V 6048507
$1,842.39
2
Diamond Products DUAL VOLT MOTOR SWITCHBOX FOR CC1300, CC1800 AND CC2500 (10HP TO 15HP) 6010385
$1,451.34
3
Diamond Products CABLE ASSY., 10/4 X 42.3" W/4X #10 TERMINAL RINGS 6041150
$49.50
4
Diamond Products CORD S.O. 12/3 X 26.3" W/3X #10 RING TERMINALS 6040317
$30.71
View full details