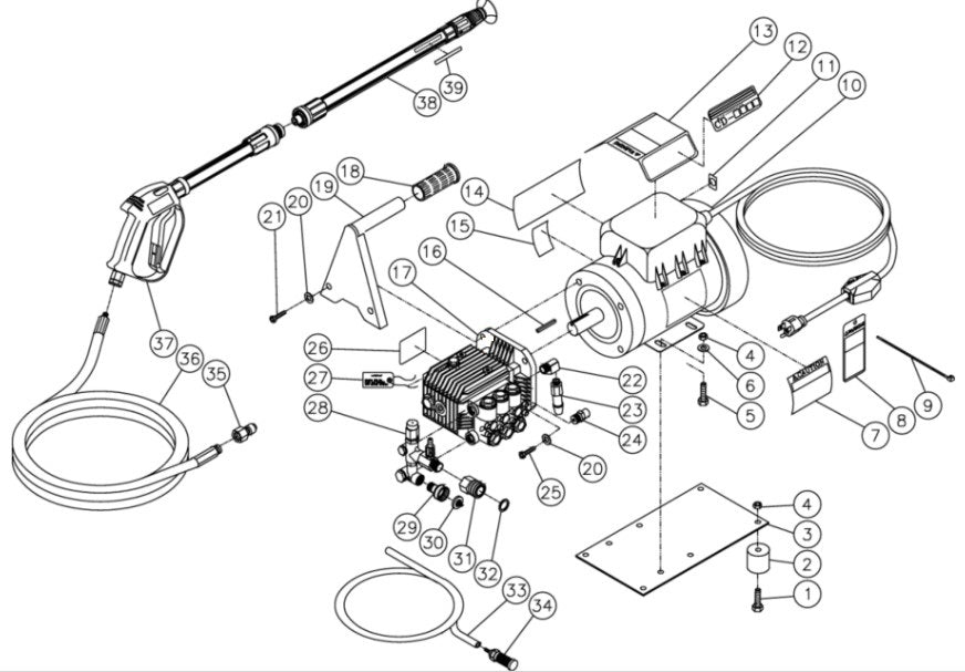
1
/
of
1
Ref.
Details
1
27-0068 Bolt for MiTM Air Compressors by MiTM 270068
$4.43
2
14-0008 Isolator 2" Od X 1.75 for AC2-PR09-30M Air Compressor by Mi-T-M 140008
$11.49
3
5-0110A01 Baseplate for MiTM Pressure Washers 50110A01
$109.25
4
30-0157 Locknut for AAS-23105-80H AAS-23105-80V AAS-20305-80H AAS-20305-80V AAS-23305-80H AAS-23305-80V AAS-46305-80H AAS-46305-80V Air Compressor by Mi-T-M 300157
$2.85
6
28-0003 Washer for AAS-23105-80H AAS-23105-80V AAS-20305-80H AAS-20305-80V AAS-23305-80H AAS-23305-80V AAS-46305-80H AAS-46305-80V Air Compressor by Mi-T-M 280003
$1.99
7
34-1015 Decal- Caution/Important (E/S) for MiTM Pressure Washers 341015
$45.87
8
34-1035 Tag - Warning Risk Of Electrocution for MiTM Pressure Washers by MiTM 341035
$24.21
10
851-0247 Assy Motor 1.5Hp Ul for AM2-PE75-30M Air Compressor by Mi-T-M 8510247
$1,035.20
11
34-0612 Decal- On/Off for MiTM Pressure Washers 340612
$5.93
12
34-0629 Decal- Mi-T-M Cd-1002 (Cd-1002-0Muh) for MiTM Pressure Washers 340629
Call for Price
13
34-1013 Decal- Warning: Risk Of Electrocution (E/S) for MiTM Pressure Washers 341013
$56.07
14
34-1017 Decal- Warning: Risk Of Injection/Explosion (E/S) for MiTM Pressure Washers 341017
$50.97
17
3-0071 Pump 2.11 Gpm At 1500 Psi for AC1-PE15-20M1 Air Compressor by Mi-T-M 30071
$768.07
18
7-0059 Handle Grip for MiTM Pressure Washers 70059
$22.14
19
7-0078A01 Handle Assembly for MiTM Pressure Washers 70078A01
$98.96
20
29-0155 Lockwasher for MiTM Pressure Washers 290155
$7.49
22
23-0014 Elbow 1/4"Fptx1/4Mpt 90 Brass for AC1-HR45-05M Air Compressor by Mi-T-M 230014
$9.18
23
22-0046 Safety Valve 1/4M 3Kpsi 6Gpm for AC1-HE15-05M Air Compressor by Mi-T-M 220046
$45.99
26
34-1068 Decal- Important: Pump Instructions for MiTM Pressure Washers 341068
Call for Price
27
34-0102 Tag- Remove Red Plug for MiTM Pressure Washers 340102
$5.93
28
8-0493 Unloader for AC1-PH55-08M (After S/N 20000951) Air Compressor by Mi-T-M 80493
$175.48
29
23-0096 Swiv 3/8Mx3/4F Garden Hose-Br for AM2-PE75-30M Air Compressor by Mi-T-M 230096
$18.02
31
17-0004 Qc 3/8F X 3/8 Socket Brass for AC1-HE15-05M Air Compressor by Mi-T-M 170004
$16.25
32
25-0123 O-Ring 1/2 X 11/16 for AC1-HE15-05M Air Compressor by Mi-T-M 250123
$1.99
34
19-0050 Strainer Chemical Wo/Ck for AC1-HE15-05M Air Compressor by Mi-T-M 190050
$5.99
36
15-0138 Hose 3/8X25' 3000Psi R1 Gray for AM2-PE75-30M Air Compressor by Mi-T-M 150138
$164.09
39
34-0457 Decal- Adjustable Nozzle for MiTM Pressure Washers 340457
$7.49
5
27-0066 Bolt for AAS-23105-80H AAS-23105-80V AAS-20305-80H AAS-20305-80V AAS-23305-80H AAS-23305-80V AAS-46305-80H AAS-46305-80V Air Compressor by Mi-T-M 270066
$1.99
9
33-0022 Cable Tie- 8-1/2 Black for AC1-HE02-05M by Mi-T-M 330022
$1.99
16
43-0072 Key 3/16" X 1-3/8" for AC1-HE02-05M1 Air Compressor by Mi-T-M 430072
$9.98
21
27-0118 Bolt for AAS-23105-80H AAS-23105-80V AAS-20305-80H AAS-20305-80V AAS-23305-80H AAS-23305-80V AAS-46305-80H AAS-46305-80V Air Compressor by Mi-T-M 270118
$1.99
24
22-0114 Valve-Thermal Relief 3/8M 145F for AC1-HE02-05M1 Air Compressor by Mi-T-M 220114
$20.68
25
27-0117 Bolt for AAS-23105-80H AAS-23105-80V AAS-20305-80H AAS-20305-80V AAS-23305-80H AAS-23305-80V AAS-46305-80H AAS-46305-80V Air Compressor by Mi-T-M 270117
$1.99
30
19-0001 Filter-Inlet Washer W/Screen for AC1-HE02-05M by Mi-T-M 190001
$1.99
33
15-0021 Hose 1/4 Id Clear Chemi for AC1-HE02-05M by Mi-T-M 150021
$1.99
35
17-0006 Qc 3/8F X 3/8 Plug Ss for AC1-HE02-05M by Mi-T-M 170006
$22.62
