1
/
of
1
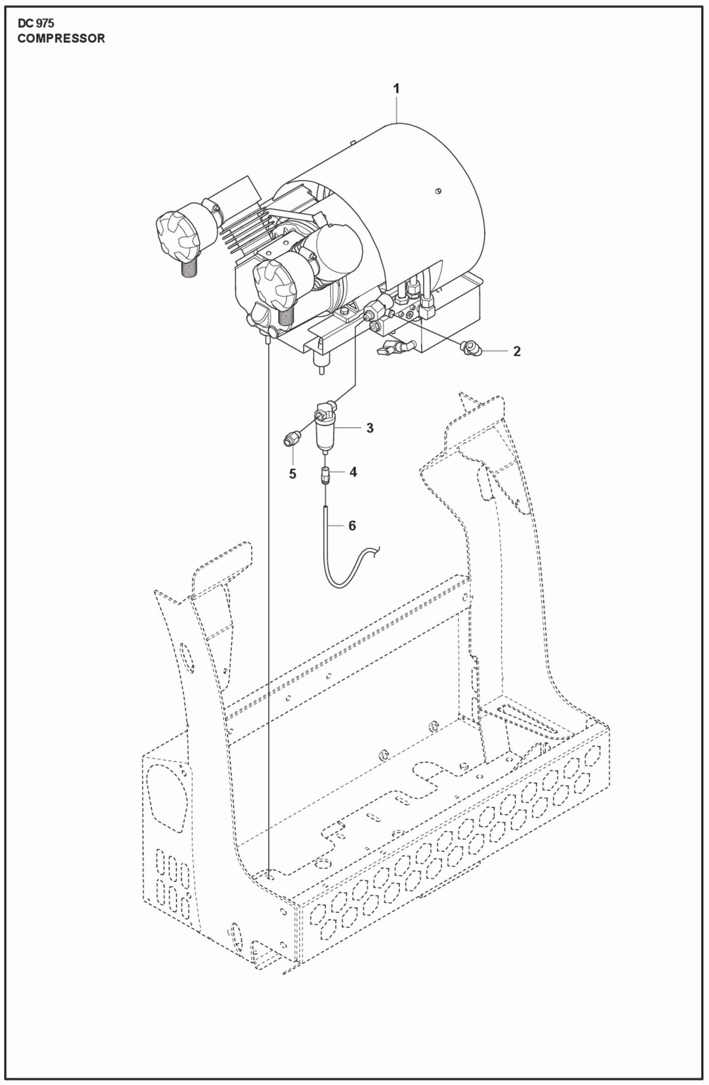
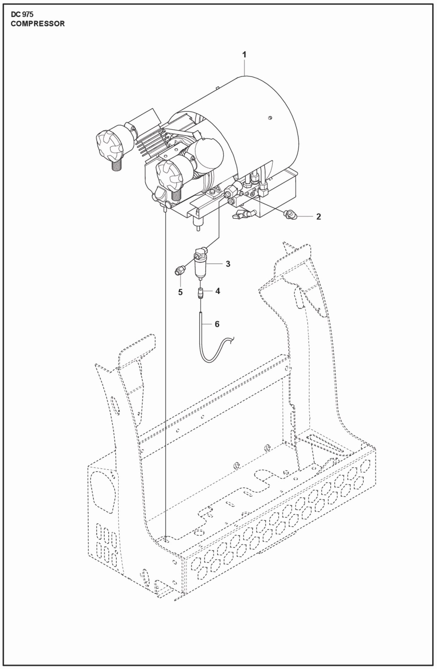
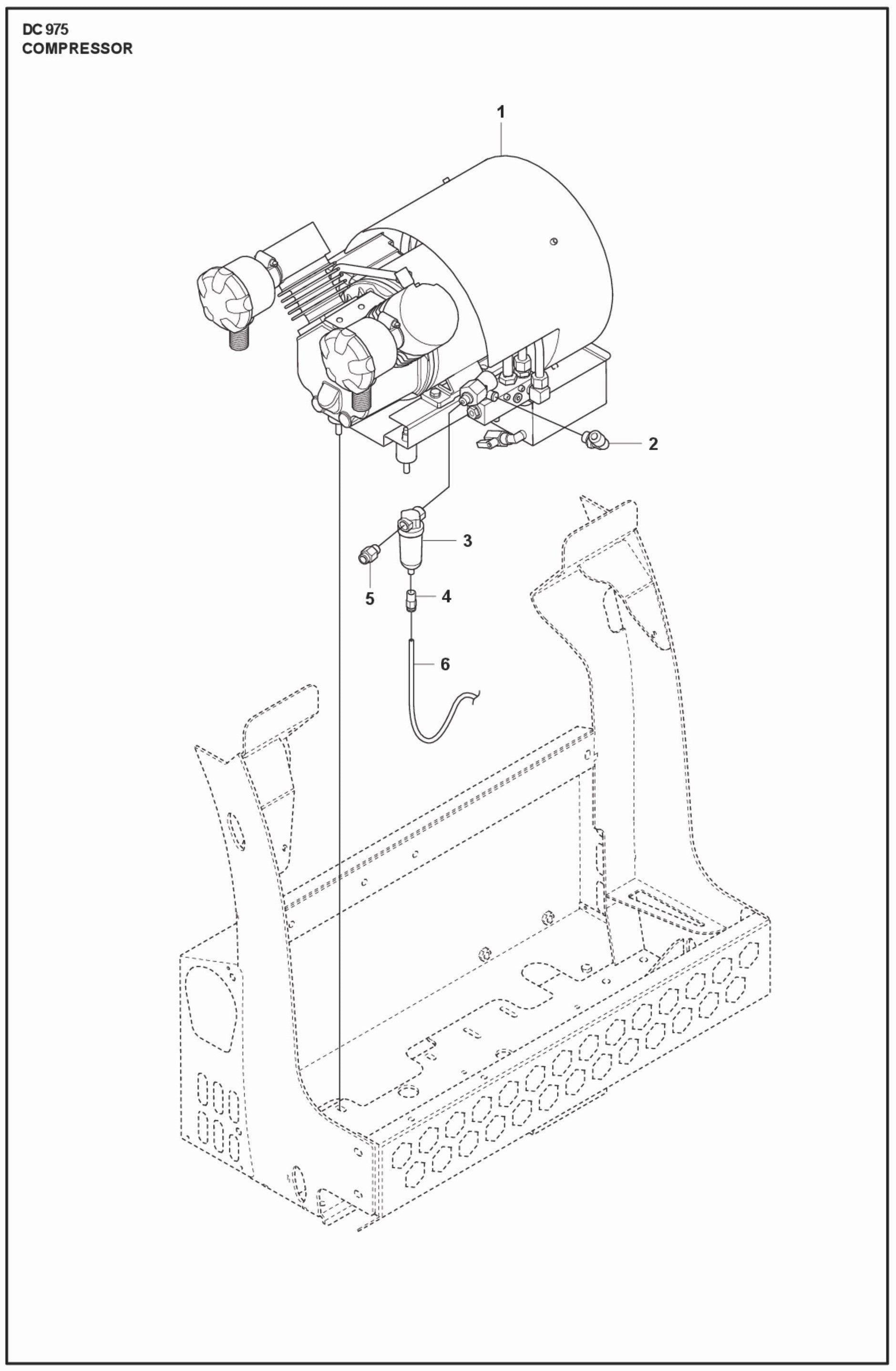
Ref.
Details
1
533842701 Water Separator for BMG 220RC Floor Grinder by Husqvarna
$300.00
