1
/
of
1
100% genuine product
Authorised dealer
| Ref. | Product details | Price | Qty | Action |
|---|---|---|---|---|
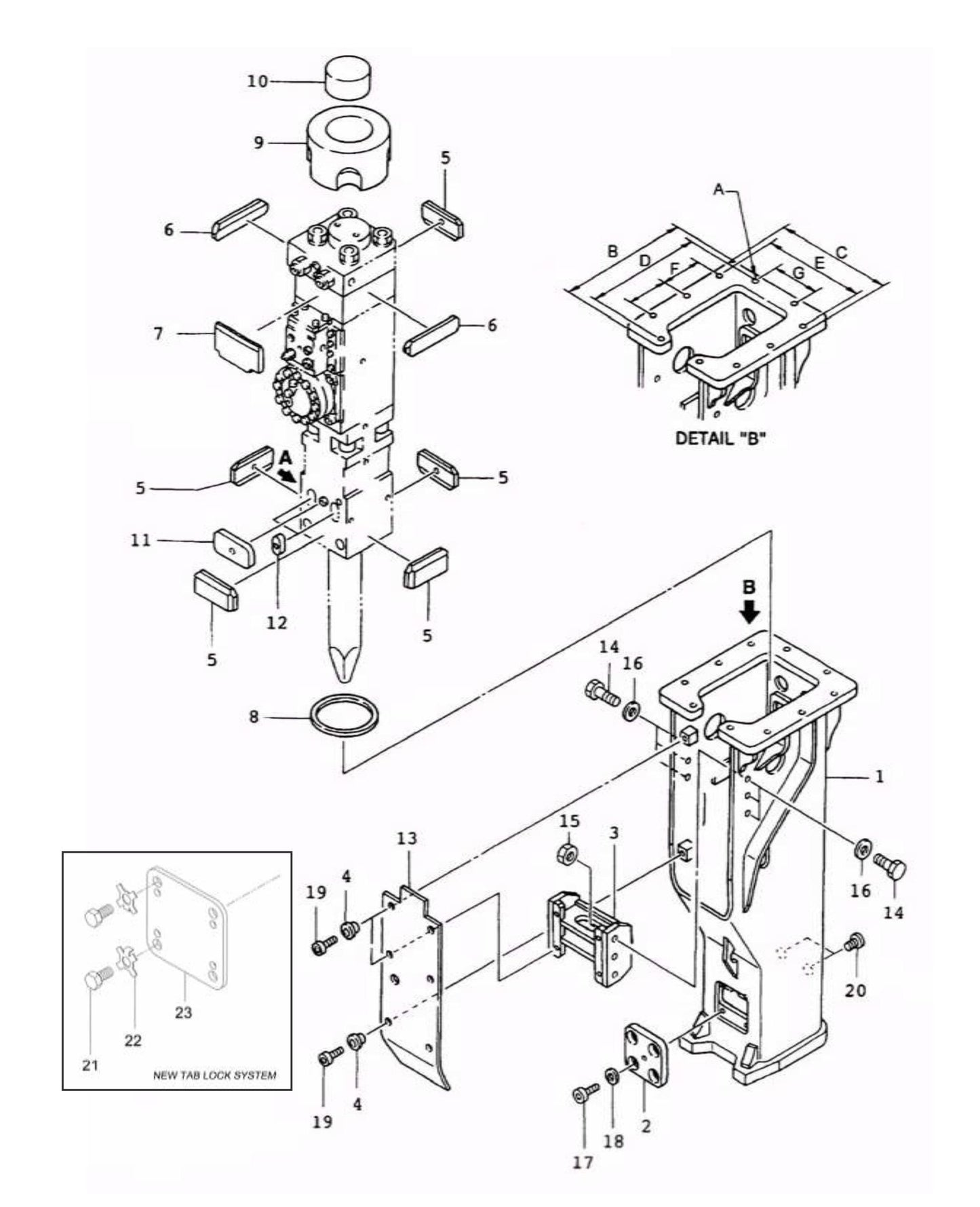
| 16 |
K14011242000 Washer for Fx275 breaker by FRD Furukawa Kent
|
$14.56 |
|
|
| 18 |
K14011224000 Washer for F6 Breaker by FRD Kent
|
$4.99 |
|
|
| 20 |
K08489110000 GPF Plug for F9 Breaker by FRD Kent
|
$50.94 |
|
