1
/
of
1
100% genuine product
Authorised dealer
| Ref. | Product details | Price | Qty | Action |
|---|---|---|---|---|
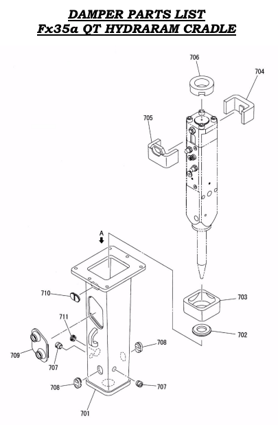
| 707 |
K002308880070 Dust Plug for Fx45a Hydraulic Breaker by FRD Kent
|
$12.66 |
|
|
| 710 |
K002308880102 Plug Dust for Fx25a Hydraulic Breaker by FRD Kent
|
$28.56 |
|
