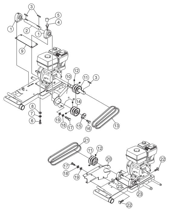
Gasoline Engine Jackshaft Assembly Parts-MP25E1, MP25E3, MP2H 5 HP 1Ø ELECTRIC MOTOR, 5 HP 3Ø ELECTRIC MOTOR, 8.5 HP HONDA GASOLINE ENGINE

Gasoline Engine Jackshaft Assembly Parts-MP25E1, MP25E3, MP2H 5 HP 1Ø ELECTRIC MOTOR, 5 HP 3Ø ELECTRIC MOTOR, 8.5 HP HONDA GASOLINE ENGINE

Skip to product information
1 of 1
Ref. Details
1
28321-001 BEARINGS, PILLOW BLOCK by Multiquip
$71.95
2
28919-001 JACKSHAFT | Genuine OEM Multiquip Part
$150.26
3
10057-011 KEY, SQUARE 1/4 X 1-1/4 by Multiquip
$3.29
4
1162 A Cap, Grease Zerk #2 for FCG1-6HA FCG1 6HA Slabsaver Concrete Saw by Multiquip
$2.19
5
2621 Zerk, Grease Str. 1/4-28 for SP2 CE13H20 SCE13H20 SCE20H20 Flat Concrete Saw by Multiquip
$2.19
6
1023 Screw, Hhc 3/8-16 X 1 1/4 Gr 5 for SP2 13H20 S13H20 S20H20 Flat Concrete Saw by Multiquip
$2.19
7
0166 A Lock, Washer 3/8 In for LS400 LS500 Mayco Concrete Pump by Multiquip
$4.39
8
28275-001 WASHER, FLAT 3/8 IN. | Genuine OEM Multiquip Part
$4.39
9
28844-001 SUPPORT PLATE, JACKSHAFT by Multiquip
$43.67
11
28322-003 PULLEY, ENGINE/JACKSHAFT by Multiquip
$85.70
12
16193-006 SCREW, SHS 5/16-18 x 3/8 IN. by Multiquip
$4.39
13
16779-012 DRIVE BELT 3VX250 | Genuine OEM Multiquip Part
$42.21
14
29007-001 PULLEY, JACKSHAFT | Genuine OEM Multiquip Part
$29.35
16
0424 Screw, 1/4-20 X 1-1/4 for SP2 13H20 S13H20 S20H20 Flat Concrete Saw by Multiquip
$2.19
17
0131 A Screw, Hhc 1/4 - 20 X 3/4 for SP1CE13H18 SP1 CE 13H18 Walk behind Flat Concrete Saw by Multiquip
$2.19
18
0181 B Washer, Lock 1/4 Med for SP118 Walk Behind Flat Concrete Saw by Multiquip
$2.19
19
0949 WASHER, FLAT 1/4 IN. | Genuine OEM Multiquip Part
$4.39
20
28769-351 MOUNTING BRACKET, BELT GUARD by Multiquip
$46.74
22
27058-001 SCREW, SQ. HD 3/8-16 x 2.50 IN. by Multiquip
$4.39
23
1456 Nut Hex Finish 3/8-16 for C30HDG (ZENITH) Mayco Concrete Pump by Multiquip
$4.39
View full details