1
/
of
1
Ref.
Details
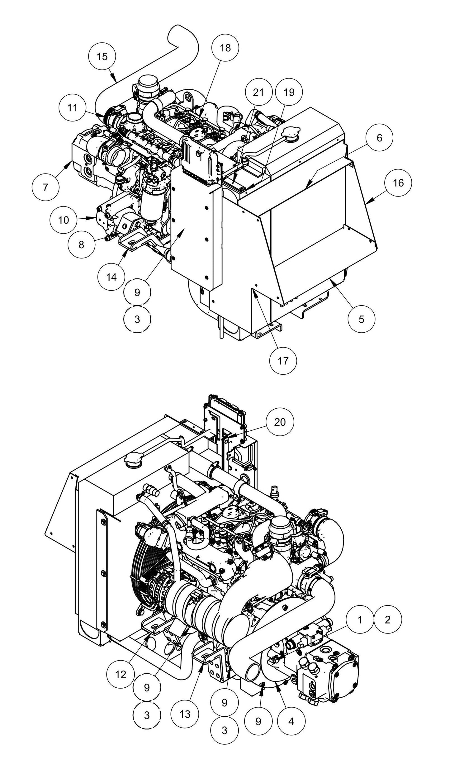
1
010070 Fstn, Hhcs 1/2-13 X 1-3/4 Grd8 by Allen Enginnering
$5.40
2
010093 Fstn, Lw 1/2 Gr8 by Allen Enginnering
$4.95
3
021072 Fstn, Lw 10Mm by Allen Enginnering
$4.95
4
064357 PUMP PLATE FOR HATZ H50 ON HDX760 by Allen Engineering
$1,150.80
5
065126 Bottom Cover Radiator Shroud Hdx760 by Allen Enginnering
$101.97
6
065127 TOP COVER RADIATOR SHROUD HDX760 by Allen Engineering
$150.00
7
065138 Pump, Hydraulic Piston Rexroth by Allen Enginnering
$15,687.00
8
065140 PUMP, AUX FOR HDX760 by Allen Engineering
$948.00
9
065243 Fstn, Shcs M10 X 1.5 X 30 Mm Long by Allen Enginnering
$4.95
10
065398 Auxiliary Drive For Hatz 550 Engine by Allen Enginnering
$1,758.06
-
064873 TURBO WRAP BLANKET FOR HATZ ENGINE by Allen Engineering
$626.40
-
078612 FILTER, HATZ FUEL F/ 4H50TIC/3H50TIC ENGINES by Allen Engineering
$180.00
-
077889 SENSOR, PRESSURE ROTOR MOTOR by Allen Engineering
$192.00
-
077895 SENSOR, CHARGE PRESSURE by Allen Engineering
$198.00
