1
/
of
1
100% genuine product
Authorised dealer
| Ref. | Product details | Price | Qty | Action |
|---|---|---|---|---|
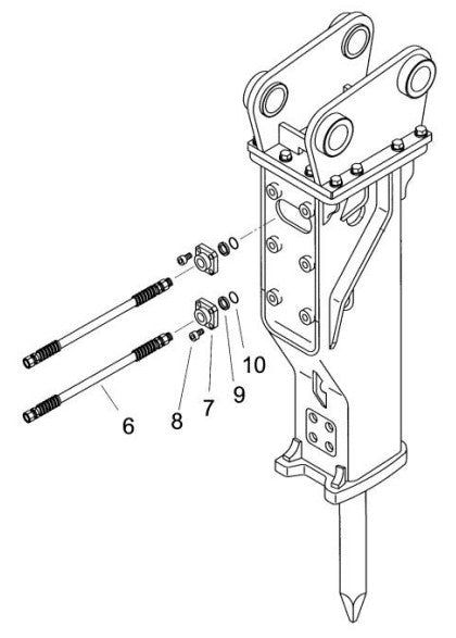
| 007 |
K11439 Port Adapter for Fx770 breaker by FRD Furukawa Kent
|
$404.84 |
|
|
| 008 |
K10203314035 Socket Head Cap Screw for Fx770 breaker by FRD Furukawa Kent
|
$9.38 |
|
|
| 009 |
K12585 Back-Up Ring for Fx770 breaker by FRD Furukawa Kent
|
$10.70 |
|
|
| 010 |
K16102500045 O-Ring for Fx770 breaker by FRD Furukawa Kent
|
$12.02 |
|
