1
/
of
1
Ref.
Details
3
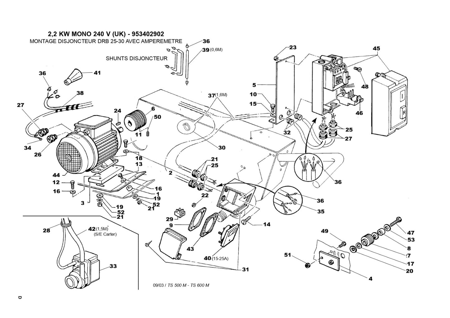
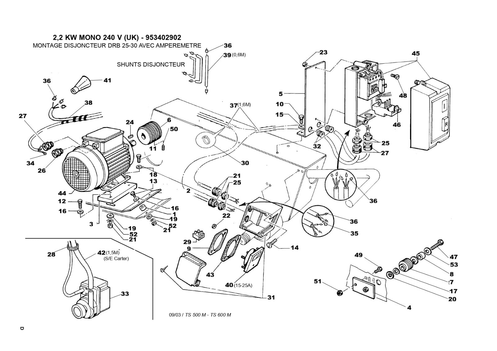
502249601 Spacer Plate for TS 600 M, TS 60 and TS 500 M Saw by Husqvarna
Call for Price
4
502253901 Height Adjustment Support for TS 600 M, TS 60 and TS 500 M Saw by Husqvarna
Call for Price
5
502254801 Support Sheet for TS 600 M, TS 60 and TS 500 M Saw by Husqvarna
Call for Price
13
543044619 Vis Th 8/8 10X45 Bichrom/Norme for TS 500 M Saw by Husqvarna
Call for Price
18
543044718 Rondelle Acier L8 Bichro/ for MS 355 Saw by Husqvarna
$5.99
20
543044720 WASHER L12 FOR FASTENERS BY HUSQVARNA
$5.20
28
543045083 Collier Ses Quick 185/46/Sl-C for TS 500 M Saw by Husqvarna
Call for Price
29
543045091 Barrette Suprem Std/Leg 34232 for TS 500 M Saw by Husqvarna
Call for Price
32
543045204 Passe Fil Da 110X150X30/Noir for TS 500 M Saw by Husqvarna
Call for Price
34
543045237 Cosse Bleue Plag Rde D5/Bfm5 for TS 230 I Saw by Husqvarna
Call for Price
36
543045254 Cosse Embout 1.5Mm/Leg 37664 for TS 100 R Saw by Husqvarna
Call for Price
38
543045263 Cordon Ho7Rnf 3G1,5 Lg3M/Noir for TS 500 M Saw by Husqvarna
Call for Price
40
543045286 Amperemetre Ene A90A0307/+Cadr for TS 500 M Saw by Husqvarna
Call for Price
47
725254651 HHCS M12 X 1.75 X 70 8.8 Z/P FOR WALL SAWS BY HUSQVARNA
$4.60
48
725533101 SHCS M5 X 20, 8.8 Z/P,ISO 4762 FOR FASTENERS BY HUSQVARNA
$4.89
51
732211801 Lock Nut for PG 820 RC Floor Grinder by Husqvarna
$3.99
52
735217301 LOCKWASHER for FS309 Walk Behind Floor Saw Husqvarna Products
$2.99
53
738220119 BALL BEARING FOR CORE DRILL BY HUSQVARNA
$27.32
