1
/
of
1
Ref.
Details
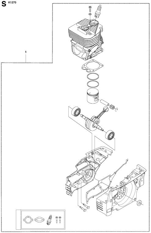
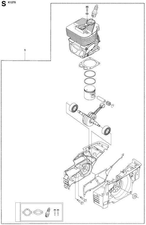
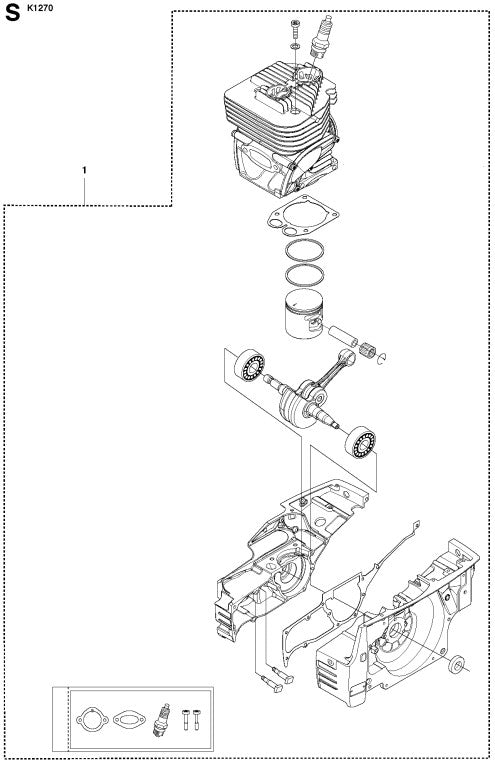
1
582415002 CRANKCASE, ENGINE KIT FOR POWER CUTTERS BY HUSQVARNA
$774.44
