1
         / 
        of
        1
      
      
    
        Ref.
        Details
        
        
        
      
      
      
      
        
          
            
            
            
            
            
            
            
            
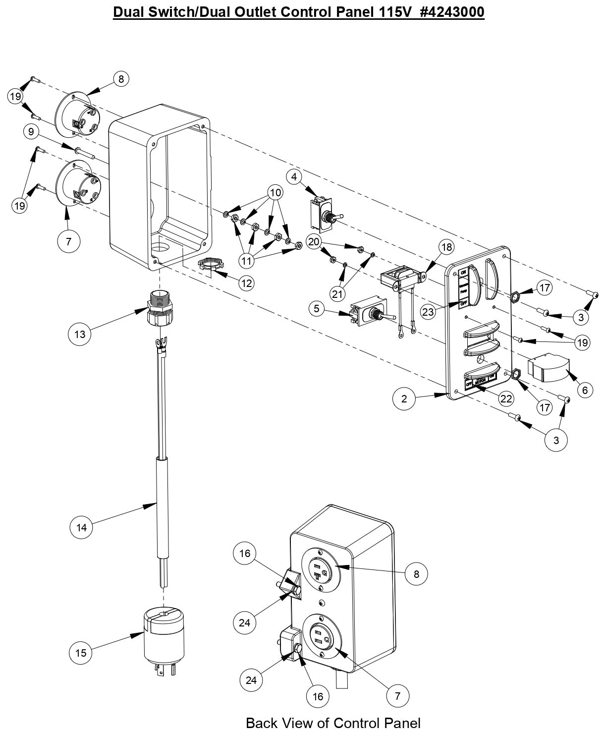
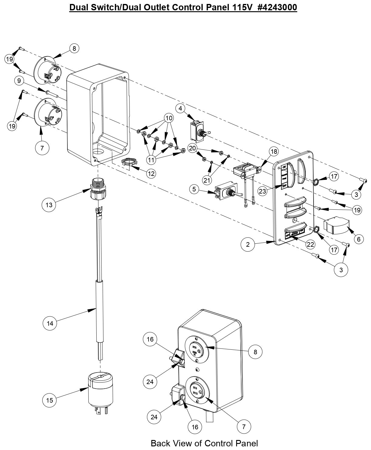
                1
              
              
                4699440 Control Box Body for M-1 CORE RIG Core Bore Drilling Rig Core Cut by Diamond Products
              
              
                $112.96
              
              
                2
              
              
                4699460 Cover Plate for M-1 CORE RIG Core Bore Drilling Rig Core Cut by Diamond Products
              
              
                $45.20
              
              
                3
              
              
                2900159 Machine Screw, Rd. Hd., #10-24 x 5/8" for M-1 CORE RIG Core Bore Drilling Rig Core Cut by Diamond Products
              
              
                $2.99
              
              
                4
              
              
                2800016 Toggle Switch 16Amp/125V for M-1 CORE RIG Core Bore Drilling Rig Core Cut by Diamond Products
              
              
                $48.88
              
              
                5
              
              
                2800017 Toggle Switch 20Amp/125V for M-1 CORE RIG Core Bore Drilling Rig Core Cut by Diamond Products
              
              
                $50.64
              
              
                6
              
              
                2800020 Amp Meter 115V, 0-25 Amp for M-1 CORE RIG Core Bore Drilling Rig Core Cut by Diamond Products
              
              
                $66.10
              
              
                7
              
              
                2800018 Flanged Outlet, 15 Amp, 125 Volt for M-1 CORE RIG Core Bore Drilling Rig Core Cut by Diamond Products
              
              
                $28.97
              
              
                8
              
              
                2800896 Flanged Outlet, 15 Amp, 125 Volt for M-1 CORE RIG Core Bore Drilling Rig Core Cut by Diamond Products
              
              
                $43.04
              
              
                9
              
              
                2900172 Machine Screw, Rd. Hd., #10-24 x 1-1/4" for M-1 CORE RIG Core Bore Drilling Rig Core Cut by Diamond Products
              
              
                $2.99
              
              
                10
              
              
                2900038 Lock Washer, #10 Split for M-1 CORE RIG Core Bore Drilling Rig Core Cut by Diamond Products
              
              
                $2.99
              
              
                11
              
              
                2900050 Hex Nut, #10-24 for M-1 CORE RIG Core Bore Drilling Rig Core Cut by Diamond Products
              
              
                $2.99
              
              
                12
              
              
                2800050 Lock Nut, 3/4" Sealing for M-1 CORE RIG Core Bore Drilling Rig Core Cut by Diamond Products
              
              
                $22.60
              
              
                13
              
              
                2800043 Connector, 3/4" Cord for M-1 CORE RIG Core Bore Drilling Rig Core Cut by Diamond Products
              
              
                $24.75
              
              
                14
              
              
                4699500 Line Cord for 115 Volt -14" for M-1 CORE RIG Core Bore Drilling Rig Core Cut by Diamond Products
              
              
                $32.93
              
              
                15
              
              
                2800023 Plug, 125V, 30A, Twist Lock for M-1 CORE RIG Core Bore Drilling Rig Core Cut by Diamond Products
              
              
                $38.74
              
              
                16
              
              
                2900052 Cap Screw, Hex Hd., 1/4-20 x 1-1/4" for M-1 CORE RIG Core Bore Drilling Rig Core Cut by Diamond Products
              
              
                $2.99
              
              
                17
              
              
                2900204 Nut, Toggle Switch, 15/32"-32 for M-1 CORE RIG Core Bore Drilling Rig Core Cut by Diamond Products
              
              
                $2.99
              
              
                18
              
              
                2800085 AC Current Transformer for M-1 CORE RIG Core Bore Drilling Rig Core Cut by Diamond Products
              
              
                $65.32
              
              
                19
              
              
                2900090 Machine Screw, Rd. Hd., #6-32 x 1/2" for M-1 CORE RIG Core Bore Drilling Rig Core Cut by Diamond Products
              
              
                $2.99
              
              
                20
              
              
                2900091 Hex Nut, #6-32 for M-1 CORE RIG Core Bore Drilling Rig Core Cut by Diamond Products
              
              
                $2.99
              
              
                21
              
              
                2900092 Lock Washer, #6 Split for M-1 CORE RIG Core Bore Drilling Rig Core Cut by Diamond Products
              
              
                $2.99
              
              
                22
              
              
                1800253 ON/OFF Drill Motor Label for M-1 CORE RIG Core Bore Drilling Rig Core Cut by Diamond Products
              
              
                $6.99
              
              
                23
              
              
                1800254 ON/OFF Vacuum Pump Label for M-1 CORE RIG Core Bore Drilling Rig Core Cut by Diamond Products
              
              
                $6.99
              
              
                24
              
              
                2900024 Lock Washer, 1/4" Split for M-1 CORE RIG Core Bore Drilling Rig Core Cut by Diamond Products
              
              
                $2.99
              
               
    