1
/
of
1
Ref.
Details
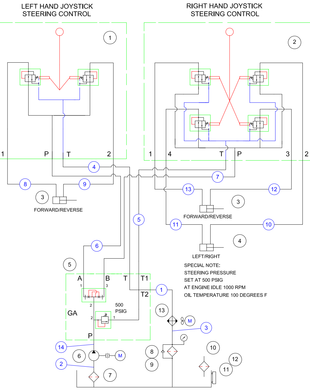
1
064818 Control Valve, Lh Single Axis_2 by Allen Enginnering
$1,760.31
2
064817 Control Valve, Rh Dual Axis_2 by Allen Enginnering
$1,716.61
3
048660 Hdx 600/740/610 1.50X5/8X5/8 L/R/Fwd/Rev Stg Cyl by Allen Enginnering
$1,434.24
5
046735 Manifold, 1200C Hyd Steering by Allen Enginnering
$1,035.34
7
046732 Suction Strainer Tmf-02-60 by Allen Enginnering
$189.36
8
049978 Filter, 1/2Npt 20M Nominal Element by Allen Enginnering
$421.31
-
046730 Filter Element Sf 6310-18 by Allen Enginnering
$90.00
9
046241 Filter Gauge by Allen Enginnering
$132.22
10
FI0350 Filler Breather F/ Reservoir B-16 by Allen Enginnering
$57.60
11
056932 GAUGE 76MM 3" LEVEL GAUGE by Allen Engineering
$193.20
12
045948 FTG, 7574051 MAGNETIC #12 PLUG by Allen Engineering
$60.00
13
052930 Cooler, Air/Oil 2005K-12S-Bp by Allen Enginnering
$1,575.42
