1
         / 
        of
        1
      
      
    
        Ref.
        Details
        
        
        
      
      
      
      
      
        
        
          
            
            
              
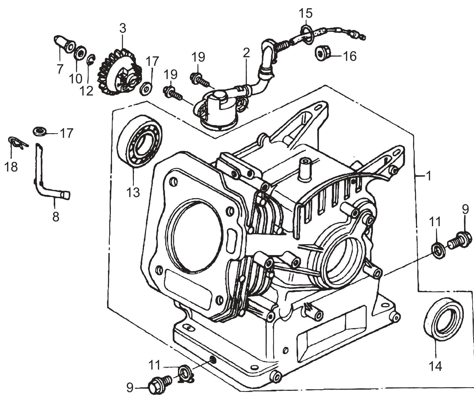
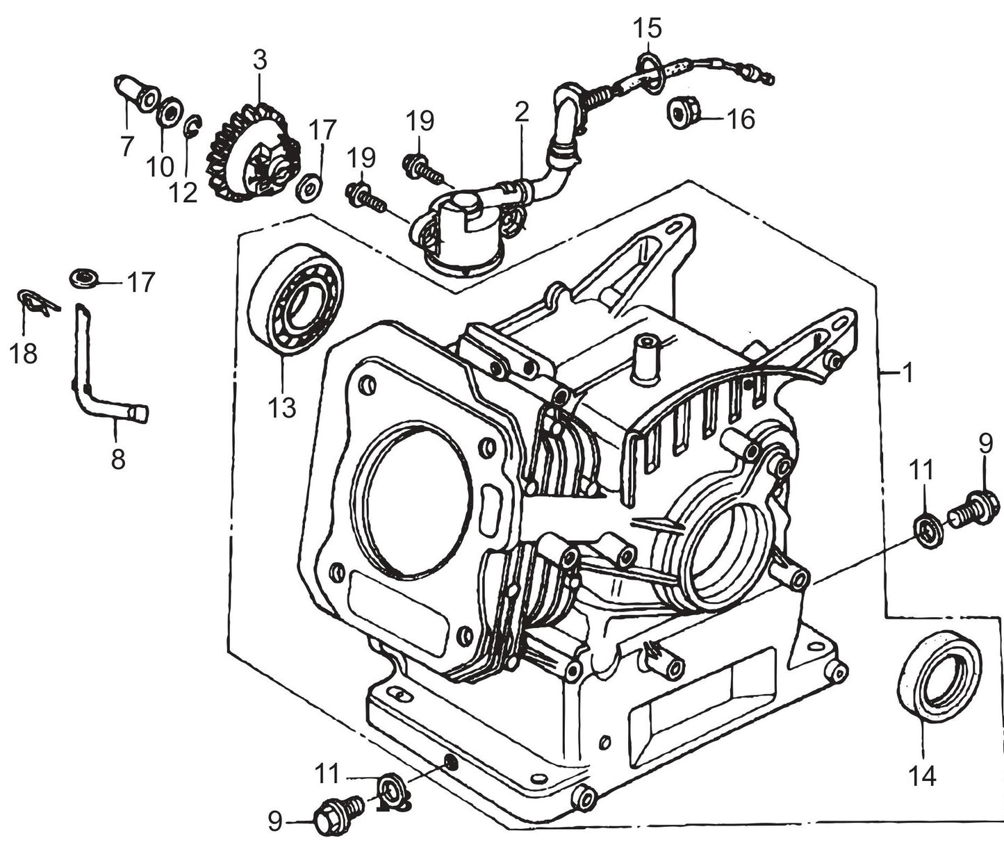
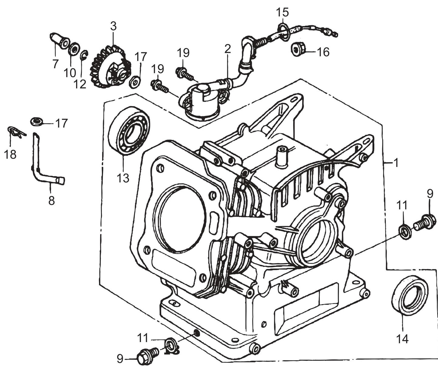
                  1
                
                
                  12000ZH8426 Cylinder Barrel Assy for Multiquip Mikasa MVC80VH Plate Tamper Compactor
                
                
                  $734.35
                
                
                  2
                
                
                  15510ZE1033  Switch Assy., Oil Level for Multiquip Mikasa MVHR60HW  Plate Tamper Compactor
                
                
                  $84.92
                
                
                  3
                
                
                  16510ZE1000  Governor Assy  for Multiquip Mikasa MVB85H Plate Tamper Compactor
                
                
                  $32.05
                
                
                  7
                
                
                  16531ZE1000 Slider, Governor  for Multiquip Mikasa MTX80HDR Jumping Jack Rammer
                
                
                  $6.07
                
                
                  8
                
                
                  16541ZE1000  Shaft, Governor Arm  for Multiquip Mikasa MVHR60HW  Plate Tamper Compactor
                
                
                  $16.74
                
                
                  9
                
                
                  90131ZE1000  Bolt, Drain Plug  for Multiquip Mikasa MTR40HF Jumping Jack Rammer
                
                
                  $27.29
                
                
                  10
                
                
                  90451ZE1000  Thrust Washer 6Mm for Multiquip Mikasa MVB85H Plate Tamper Compactor
                
                
                  $27.29
                
                
                  11
                
                
                  90601ZE1000  Washer, Drain Plug  for Multiquip Mikasa MVHR60HW  Plate Tamper Compactor
                
                
                  $27.29
                
                
                  12
                
                
                  90602ZE1000  Clip, Governor Holder  for Multiquip Mikasa MVH304GHB Plate Tamper Compactor
                
                
                  $27.29
                
                
                  13
                
                
                  91001ZF1003  Ball Bearing 6205 for Multiquip Mikasa MVB150H Plate Tamper / Compactor
                
                
                  $35.59
                
                
                  14
                
                
                  91201Z0T801 Oil Seal (25 X 41 X 6) for Multiquip Mikasa MVC80VH Plate Tamper Compactor
                
                
                  $14.88
                
                
                  15
                
                
                  91353671004 O- Ring 13.5X1.5 (Arai) for Multiquip Whiteman CA4HM Walk Behind Trowel
                
                
                  $8.56
                
                
                  16
                
                
                  9405010000 Flange Nut M10  for Multiquip Mikasa MVC88VTH MVC88CTHW Plate Tampers
                
                
                  $27.29
                
                
                  17
                
                
                  9410106800 Plain Washer 6 Mm for Multiquip Mikasa MT65HA Jumping Jack Rammer
                
                
                  $2.19
                
                
                  18
                
                
                  9425108000 Lock Pin 8Mm for Multiquip Mikasa MVB150H Plate Tamper / Compactor
                
                
                  $27.29
                
                
                  19
                
                
                  957010601200 Bolt Flange (6X12) for GA36HZ GA36H GA36HA Portable Generator with Honda Gasoline Engine by MQ Multiquip
                
                
                  $3.25
                
                
    