1
         / 
        of
        1
      
      
    
        Ref.
        Details
        
        
        
      
      
        
          
        
          
        
          
        
          
        
          
        
          
        
          
        
          
        
          
        
          
        
          
        
          
        
          
        
      
      
      
      
        
        
          
            
            
              
                  1
                
                
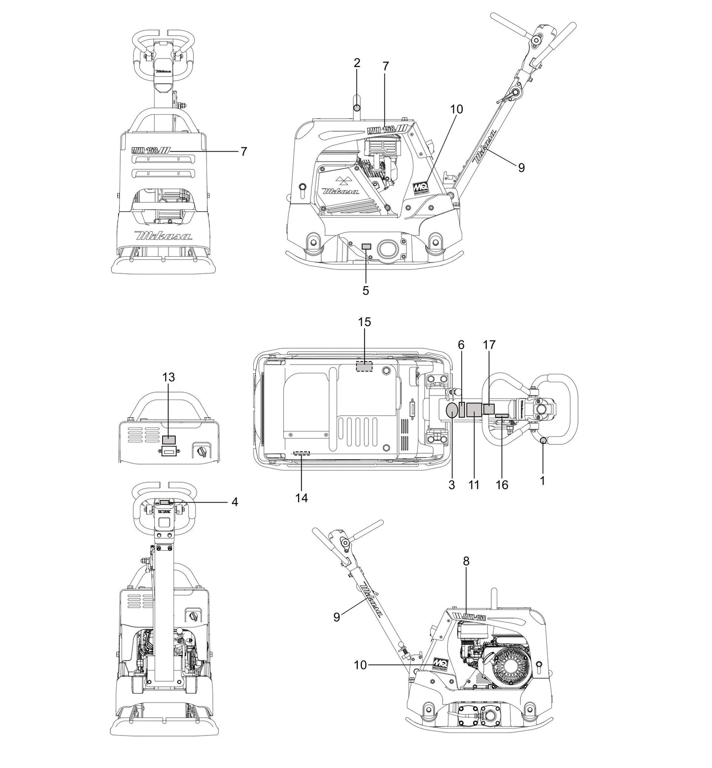
                  DECAL, SET, DO NOT LIFT  fits MVC88VTH Plate Compactor by MULTIQUIP Mikasa 920900090
                
                
                  $8.31
                
                
                  2
                
                
                  DECAL, SET, DO NOT LIFT  fits MVC88VTH Plate Compactor by MULTIQUIP Mikasa 920900090
                
                
                  $8.31
                
                
                  6
                
                
                  920214100 Decal, E/G Fire Warning for Multiquip Mikasa MTX50HD Jumping Jack Rammer
                
                
                  $13.12
                
                
                  16
                
                
                  920211690 Decal, Lever Operation for Multiquip Mikasa MTR40HF Jumping Jack Rammer
                
                
                  $2.19
                
                
    