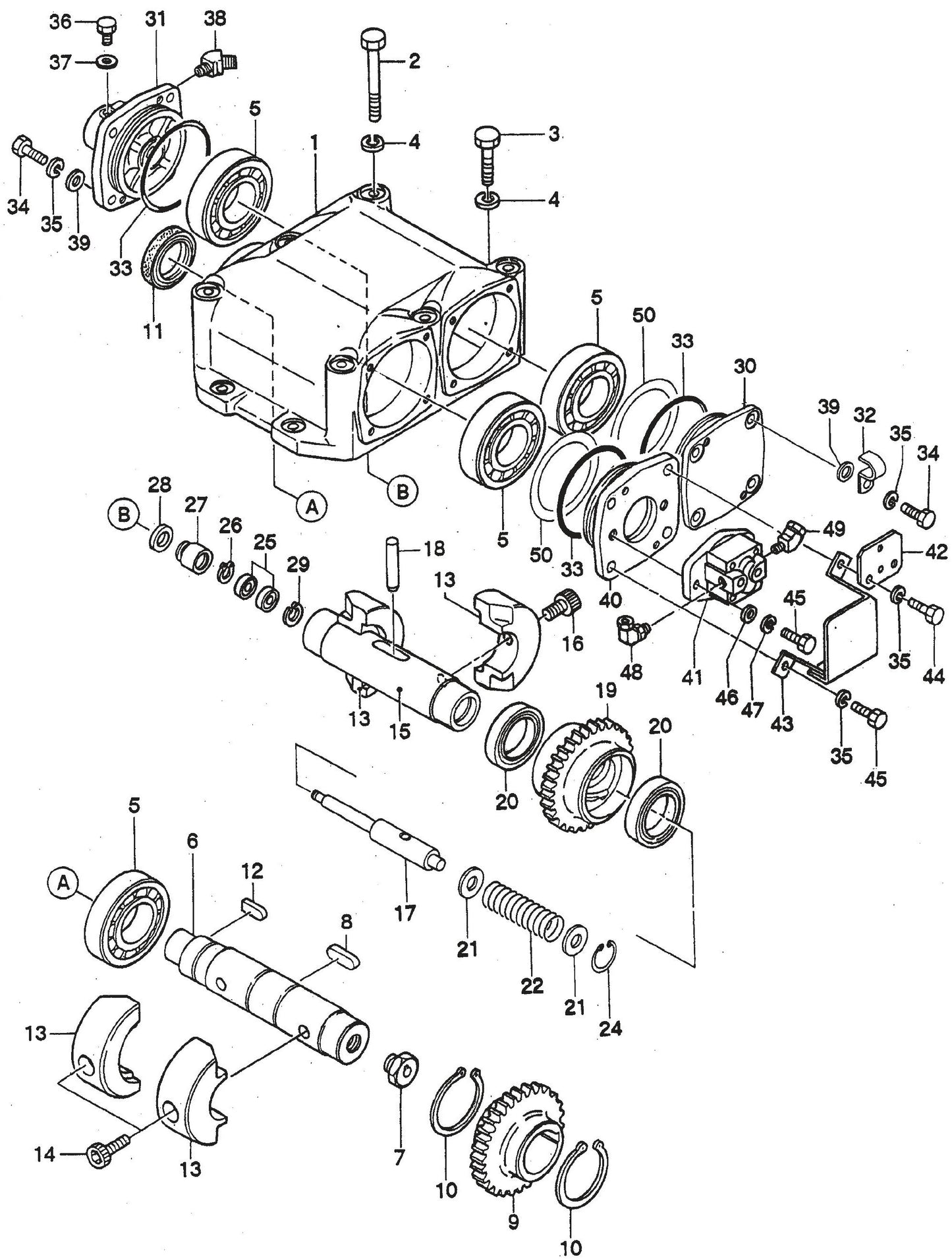
1
         / 
        of
        1
      
      
    
        Ref.
        Details
        
        
        
      
      
      
      
      
        
        
          
            
            
              
                  1
                
                
                  457112460 Vibrating Case  for Multiquip Mikasa MVH402DSB Plate Tamper Compactor
                
                
                  $1,160.97
                
                
                  2
                
                
                  001221470 Bolt 14X150 T  for Multiquip Mikasa MVH402DSB Plate Tamper Compactor
                
                
                  $10.18
                
                
                  3
                
                
                  001221450 Bolt 14X50 T  for Multiquip Mikasa MVH402DSB Plate Tamper Compactor
                
                
                  $5.49
                
                
                  4
                
                
                  030214350 Washer Lock M14  for Multiquip Mikasa MVH308GH Plate Tamper Compactor
                
                
                  $2.19
                
                
                  5
                
                
                  047920060 Roller Bearing Nj310Mc4  for Multiquip Mikasa MVH402GHB Plate Tamper Compactor
                
                
                  $222.31
                
                
                  6
                
                
                  457212410 Rotary Shaft, Drive  for Multiquip Mikasa MVH402DSB Plate Tamper Compactor
                
                
                  $699.71
                
                
                  7
                
                
                  457445830 Rotary Shaft, Drive  for Multiquip Mikasa MVH402DSB Plate Tamper Compactor
                
                
                  $95.55
                
                
                  7
                
                
                  457445831 Adapter, Pump (30L)  for Multiquip Mikasa MVH402DSB Plate Tamper Compactor
                
                
                  $95.55
                
                
                  8
                
                
                  951405370 Key 15X10X39 Rr  for Multiquip Mikasa MVH402DSB Plate Tamper Compactor
                
                
                  $17.52
                
                
                  9
                
                
                  456327150 Gear, Drive  for Multiquip Mikasa MVH402DSB Plate Tamper Compactor
                
                
                  $821.01
                
                
                  10
                
                
                  080200550 Stop Ring for Multiquip Mikasa  Plate Tamper Compactor
                
                
                  $8.36
                
                
                  11
                
                
                  060105030 Oil Seal Sb- 50729  for Multiquip Mikasa MVH402DSB Plate Tamper Compactor
                
                
                  $66.00
                
                
                  12
                
                
                  951404970 Key 12X8X30 R  for Multiquip Mikasa MVH402DSB Plate Tamper Compactor
                
                
                  $16.87
                
                
                  13
                
                
                  457332420 Eccentric Rotor  for Multiquip Mikasa MVH402DSB Plate Tamper Compactor
                
                
                  $150.05
                
                
                  14
                
                
                  009120301 Socket Head Bolt 16X40 for Multiquip Mikasa  Plate Tamper Compactor
                
                
                  $36.40
                
                
                  15
                
                
                  456337670 Rotary Shaft, Driven  for Multiquip Mikasa MVH402DSB Plate Tamper Compactor
                
                
                  $723.92
                
                
                  16
                
                
                  009120302 Socket Head Bolt 16X30 for Multiquip Mikasa MVH308GH Plate Tamper Compactor
                
                
                  $25.52
                
                
                  17
                
                
                  456337380 Piston Rod  for Multiquip Mikasa MVH402DSB Plate Tamper Compactor
                
                
                  $208.80
                
                
                  18
                
                
                  456010010 Knock Pin 10X70  for Multiquip Mikasa MVH402DSB Plate Tamper Compactor
                
                
                  $10.41
                
                
                  19
                
                
                  456327120 Gear, Driven  for Multiquip Mikasa MVH402DSB Plate Tamper Compactor
                
                
                  $1,999.90
                
                
                  20
                
                
                  040006911 Bearing 6911  for Multiquip Mikasa MVH402DSB Plate Tamper Compactor
                
                
                  Call for Price
                
                
                  21
                
                
                  455435020 Collar 17X30X3  for Multiquip Mikasa MVH402DSB Plate Tamper Compactor
                
                
                  $24.39
                
                
                  22
                
                
                  456451280 Spring 3.2-26.3-102L  for Multiquip Mikasa MVH402DSB Plate Tamper Compactor
                
                
                  $23.77
                
                
                  24
                
                
                  080100300 Stop Ring R- 30  for Multiquip Mikasa MVH402DSB Plate Tamper Compactor
                
                
                  $3.29
                
                
                  25
                
                
                  042506000 Bearing 6000Zzsg  for Multiquip Mikasa MVH402DSB Plate Tamper Compactor
                
                
                  $18.66
                
                
                  26
                
                
                  080200100 Stop Ring S-10  for Multiquip Mikasa MVH402DSB Plate Tamper Compactor
                
                
                  $2.19
                
                
                  27
                
                
                  455435051 Piston for Multiquip Mikasa  Plate Tamper Compactor
                
                
                  $90.41
                
                
                  28
                
                
                  455010070 Packing for Multiquip Mikasa  Plate Tamper Compactor
                
                
                  $27.58
                
                
                  29
                
                
                  080100260 Stop Ring for Multiquip Mikasa  Plate Tamper Compactor
                
                
                  $6.59
                
                
                  30
                
                
                  456327130 Bearing Cover  for Multiquip Mikasa MVH402DSB Plate Tamper Compactor
                
                
                  $122.92
                
                
                  31
                
                
                  456210646 Cylinder (R  for Multiquip Mikasa MVH402DSB Plate Tamper Compactor
                
                
                  $477.16
                
                
                  32
                
                
                  954405550 Clamp 15R  for Multiquip Mikasa MVH402DSB Plate Tamper Compactor
                
                
                  $13.27
                
                
                  33
                
                
                  050101050 O- Ring G- 105  for Multiquip Mikasa MVH502DSB Plate Tamper Compactor
                
                
                  $7.02
                
                
                  34
                
                
                  001221025 Bolt 10X25 T  for Multiquip Mikasa MVH402DSB Plate Tamper Compactor
                
                
                  $2.19
                
                
                  35
                
                
                  030210250 Lock Washer for MTX60HD Rammer by Multiquip Mikasa
                
                
                  $2.31
                
                
                  47
                
                
                  030210250 Lock Washer for MTX60HD Rammer by Multiquip Mikasa
                
                
                  $2.31
                
                
                  36
                
                
                  001220812 Bolt 8X12 T  for Multiquip Mikasa MVH402DSB Plate Tamper Compactor
                
                
                  $2.19
                
                
                  37
                
                
                  953404600 Copper Packing 8 X 16 X 2 for MVH200GH Reversible Plate Compactor by Multiquip Mikasa
                
                
                  $5.75
                
                
                  38
                
                
                  455010020 Elbow 45 15-0404  for Multiquip Mikasa MVH402DSB Plate Tamper Compactor
                
                
                  $17.20
                
                
                  39
                
                
                  031110160 Flat Washer, M10 for Multiquip Mikasa MRH800DS2 Walk Behind Tandem Roller
                
                
                  $2.19
                
                
                  40
                
                
                  457332430 Flange, Pump  for Multiquip Mikasa MVH402DSB Plate Tamper Compactor
                
                
                  $202.58
                
                
                  41
                
                
                  457010010 Pump Fbl  for Multiquip Mikasa MVH402DSB Plate Tamper Compactor
                
                
                  Call for Price
                
                
                  42
                
                
                  457445840 Bracket, Clamp  for Multiquip Mikasa MVH402DSB Plate Tamper Compactor
                
                
                  $42.37
                
                
                  43
                
                
                  457212420 Pump Cover  for Multiquip Mikasa MVH402DSB Plate Tamper Compactor
                
                
                  $109.35
                
                
                  44
                
                
                  001221035 Bolt 10X35 T  for Multiquip Mikasa MVH402DSB Plate Tamper Compactor
                
                
                  $3.29
                
                
                  45
                
                
                  001221030 Bolt 10X30 T  for Multiquip Mikasa MVH402DSB Plate Tamper Compactor
                
                
                  $2.19
                
                
                  46
                
                
                  952405540 Washer 10.5- 22- 3  for Multiquip Mikasa MVH402DSB Plate Tamper Compactor
                
                
                  $2.19
                
                
                  48
                
                
                  954010140 Elbow 90 Ues90G02G02  for Multiquip Mikasa MVH402DSB Plate Tamper Compactor
                
                
                  $24.43
                
                
                  49
                
                
                  954001780 Elbow 45 Pf3/8- Pf1/4  for Multiquip Mikasa MVH402DSB Plate Tamper Compactor
                
                
                  $32.36
                
                
                  50
                
                
                  952405470 Shim 90X110X0.5  for Multiquip Mikasa MVH402DSB Plate Tamper Compactor
                
                
                  $16.17
                
                
    