1
         / 
        of
        1
      
      
    
        Ref.
        Details
        
        
        
      
      
      
      
      
        
        
          
            
            
              
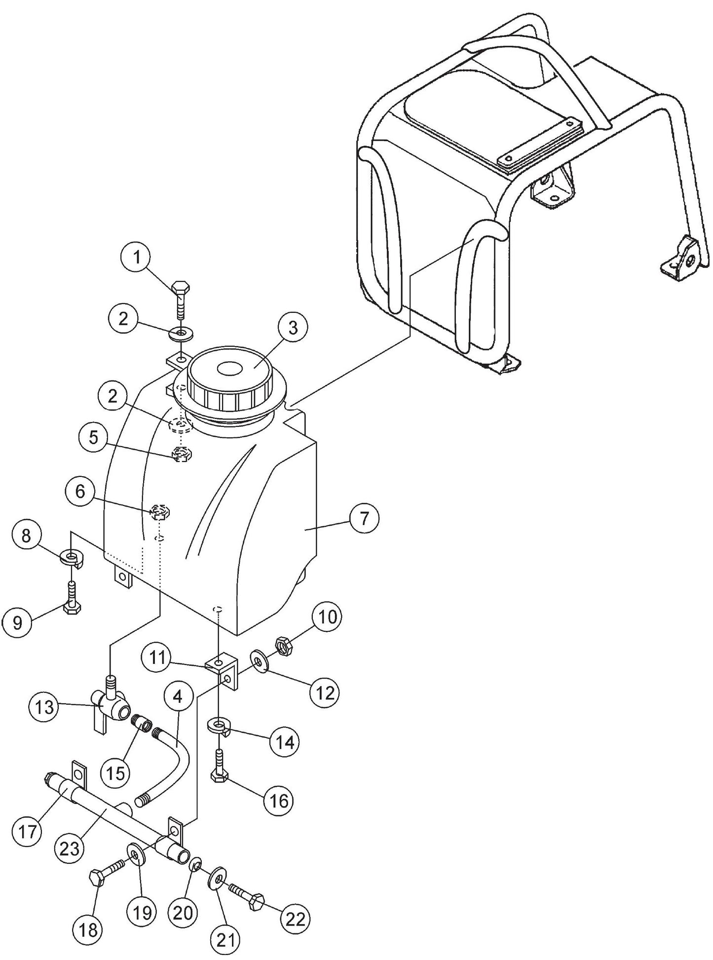
                  1
                
                
                  001241030 Bolt 10 X30 for Multiquip Mikasa MVHR60HW  Plate Tamper Compactor
                
                
                  $4.04
                
                
                  2
                
                
                  033910010 Washer 10.5 X 21 X 2 (Sus) for Multiquip Mikasa MVC98D2 Plate Tamper Compactor
                
                
                  $2.19
                
                
                  3
                
                
                  954300342 Cap, Water Tank /Mr for Multiquip Mikasa MRH800DS2 Walk Behind Tandem Roller
                
                
                  $37.05
                
                
                  4
                
                
                  463456580 Water Hose for Multiquip Mikasa MVHR60HW  Plate Tamper Compactor
                
                
                  $11.23
                
                
                  5
                
                
                  022910180 Nylon Nut M10 (Sus) for Multiquip Mikasa MRH800DS2 Walk Behind Tandem Roller
                
                
                  $5.45
                
                
                  6
                
                
                  022610808 Flange Nut M8 for Multiquip Mikasa MVHR60HW  Plate Tamper Compactor
                
                
                  $4.39
                
                
                  7
                
                
                  463910010 Water Tank Assy.  for Multiquip Mikasa MVHR60HW  Plate Tamper Compactor
                
                
                  $185.74
                
                
                  10
                
                
                  020306050 Nut M6 for Multiquip Mikasa MVH304GHB Plate Tamper Compactor
                
                
                  $2.19
                
                
                  11
                
                
                  463456570 L-Type Stay  for Multiquip Mikasa MVHR60HW  Plate Tamper Compactor
                
                
                  $7.48
                
                
                  12
                
                
                  030206150 Lock Washer for Multiquip Mikasa MVC88VTH MVC88CTHW Plate Tampers
                
                
                  $3.85
                
                
                  13
                
                
                  954407090 Hook Angle Type M8  for Multiquip Mikasa MVHR60HW  Plate Tamper Compactor
                
                
                  $59.39
                
                
                  15
                
                
                  954405680 Connector 1/4 X 10  for Multiquip Mikasa MVHR60HW  Plate Tamper Compactor
                
                
                  $6.62
                
                
                  16
                
                
                  001220615 Bolt 6 X15  for Multiquip Mikasa MVHR60HW  Plate Tamper Compactor
                
                
                  $4.39
                
                
                  18
                
                
                  001220615 Bolt 6 X15  for Multiquip Mikasa MVHR60HW  Plate Tamper Compactor
                
                
                  $4.39
                
                
                  17
                
                
                  954404230 Clamp Sa120- 18  for Multiquip Mikasa MVH402DSB Plate Tamper Compactor
                
                
                  $4.99
                
                
                  19
                
                
                  031106100 Pw M6 for MVH200GH Reversible Plate Compactor by Multiquip Mikasa
                
                
                  $2.19
                
                
                  21
                
                
                  031106100 Pw M6 for MVH200GH Reversible Plate Compactor by Multiquip Mikasa
                
                
                  $2.19
                
                
                  20
                
                
                  515910050 Cap Assy, W/ Bolt, Washer for Multiquip Mikasa MRH800DS2 Walk Behind Tandem Roller
                
                
                  $5.97
                
                
                  22
                
                
                  001220620 Bolt 6X20 for Multiquip Mikasa MTX80HDR Jumping Jack Rammer
                
                
                  $2.19
                
                
                  23
                
                
                  463342970 Sprinkling Pipe ..  for Multiquip Mikasa MVHR60HW  Plate Tamper Compactor
                
                
                  $65.11
                
                
                  24
                
                
                  458450830 Rubber Cover  for Multiquip Mikasa MVHR60HW  Plate Tamper Compactor
                
                
                  $27.74
                
                
                  25
                
                
                  001220825 Bolt 8 X 25 T for Multiquip Mikasa MVC98D2 Plate Tamper Compactor
                
                
                  $2.19
                
                
                  26
                
                
                  031108160 Plain Washer M8 for Multiquip Mikasa MVC77 Plate Tamper Compactor
                
                
                  $2.19
                
                
                  27
                
                
                  458450810 Plate, Rubber Cover  for Multiquip Mikasa MVHR60HW  Plate Tamper Compactor
                
                
                  $6.92
                
                
                  28
                
                
                  022710809 Nut, Nylon M8  for Multiquip Mikasa MVH402GHB Plate Tamper Compactor
                
                
                  $3.29
                
                
                  29
                
                
                  001221230 Bolt 12 X 30 T for MVH150 D2 Reversible Plate Compactor by Multiquip Mikasa
                
                
                  $3.37
                
                
                  30
                
                
                  030212300  Washer Sw M12   for Multiquip Mikasa MT75HS Jumping Jack Rammer
                
                
                  $1.21
                
                
    