1
/
of
1
Ref.
Details
1
010002 Fstn, Hhcs 1/4-20 X 3/4 Gr8 by Allen Enginnering
$2.99
2
010019 Fstn, Hhcs 5/16-18 X 3/4 Gr8 by Allen Enginnering
$4.95
3
010036 Fstn, Hhcs 3/8-16 X 1 Grd8 by Allen Enginnering
$4.95
5
010081 Fstn, Fw 1/4 Grd8 by Allen Enginnering
$4.95
6
010089 Fstn, Lw 1/4 by Allen Enginnering
$4.95
7
010091 Fstn, Lw 3/8 Grd8 by Allen Enginnering
$4.95
8
010092 Fstn, Lw 7/16 Gr8 by Allen Enginnering
$2.99
9
010096 Fstn, Fw Hardened Y-Zinc 7/16 by Allen Enginnering
$2.99
10
010464 Fstn, Nut Nylok 3/8-16 Gr 8 by Allen Enginnering
$4.95
11
012612 Fstn, Nut Hex Nylock 5/16-18 Gr by Allen Enginnering
$4.95
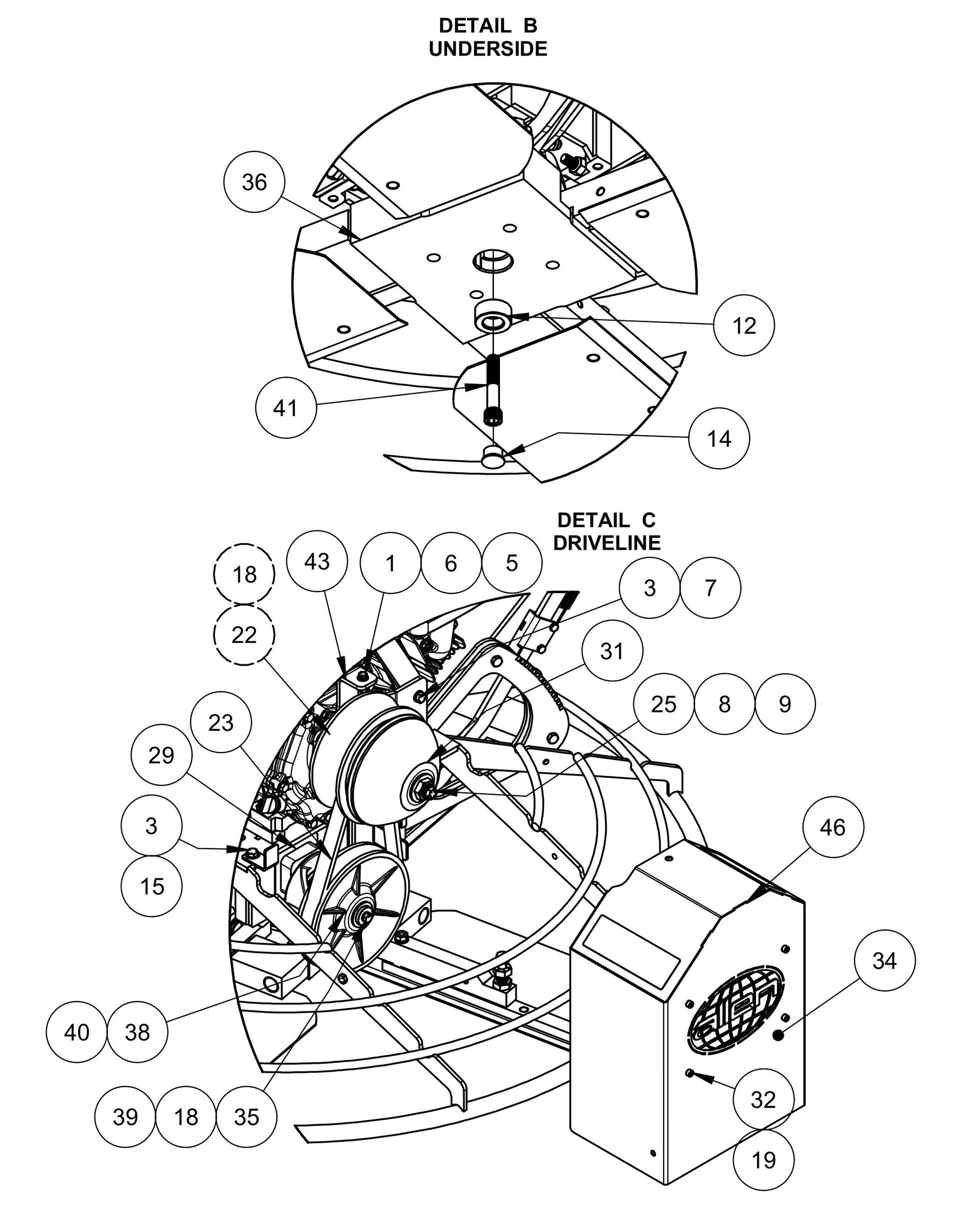
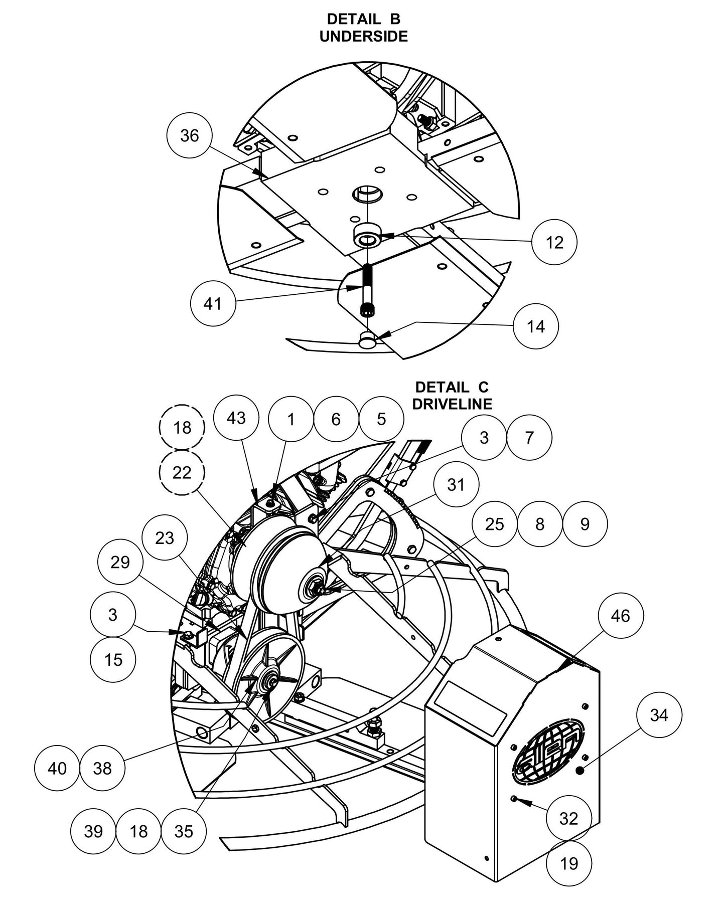
12
015690 Washer, Retaining For Trowels by Allen Enginnering
$29.40
13
015692 Cap, Ø1/4 Red Grease by Allen Enginnering
$2.99
14
015693 Plug, Plastic Cap Ec12 by Allen Enginnering
$2.99
15
017751 Fstn, Fw 3/8 Hard A325 Grade 8 by Allen Enginnering
$2.99
17
020688 Fstn, Nut Hex Jam 5/8-18 Rh by Allen Enginnering
$5.99
18
029032 Fstn, Lw 8Mm by Allen Enginnering
$5.99
19
029671 Fstn, Nut Hex 1/4-20 Nyloc by Allen Enginnering
$4.95
20
032875 Fstn, Hhcs 3/8-16 X 1 1/4 Gr 8 by Allen Enginnering
$3.99
21
033747G-4 TROWEL BLADE, COMBO 8X18 GOLD by Allen Engineering
$177.60
22
048361 Fstn, M8X1.25X22 Mm Hhc Screw by Allen Enginnering
$4.99
23
055902 Belt, Cvt F/ Texas Walker by Allen Enginnering
$201.69
27
065965 Serial Tag by Allen Enginnering
$15.69
29
067752 GEARBOX F/ 446X WB, 24:1 by Allen Engineering
$5,451.60
47
EN0600 Engine, Honda 13Hp Recoil Gx390 by Allen Enginnering
$2,860.64
