1
/
of
2
Ref.
Details
1
042844 Gauge, 5.00" Site Level by Allen Enginnering
$193.85
2
032268 Unit, Chrome Gas-Hydraulic Tank Cap by Allen Enginnering
$165.83
3
040072 Strainer, Small Hyd. Tank by Allen Enginnering
$202.81
4
049357 Strainer, Suction (Tmf-25-5) by Allen Enginnering
$276.76
5
040073 Strainer, Large Hyd. Tank (Trtp) by Allen Enginnering
$166.95
7
048658 Pump, Auxillary X1 by Allen Enginnering
$1,557.50
8
049355 Filter, Ikron F/ Gang Vib 255Cd by Allen Enginnering
$632.14
9
046241 Filter Gauge by Allen Enginnering
$132.22
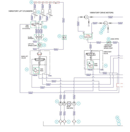
21
049367 Motor, Hyd F/ Gang Vib 255Cd by Allen Enginnering
$1,993.37
22
047172 Gauge, 3" Sight Level by Allen Enginnering
$164.71
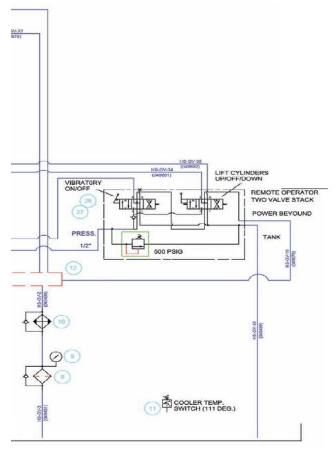
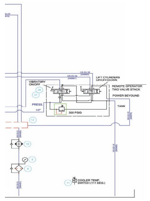
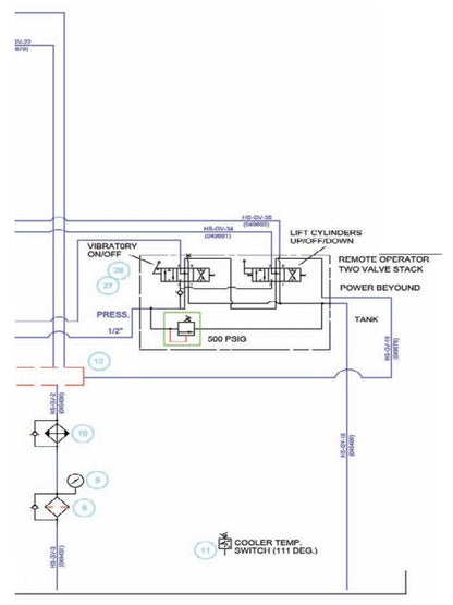
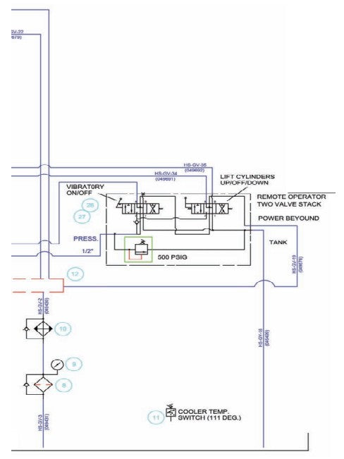
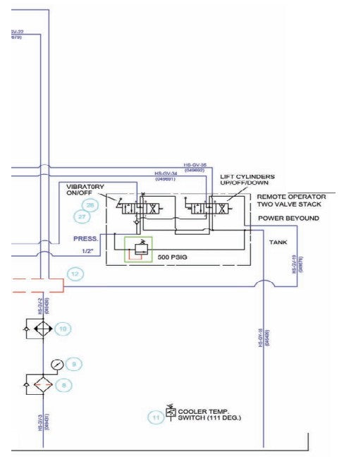
11
049102 SWITCH, TEMP ASSY (SP.1068) by Allen Engineering
$487.20
13
049359 VALVE, LIFT CYL F/ GANG VIB 255CD by Allen Engineering
$3,170.40
16A
049362 PKG, RELIEF VALVE F/ FLOW DIVIDER by Allen Engineering
$1,722.00
26
049369 Valve Stack 2 Station Pilot Control by Allen Engineering
$2,216.35
