1
/
of
1
Ref.
Details
2
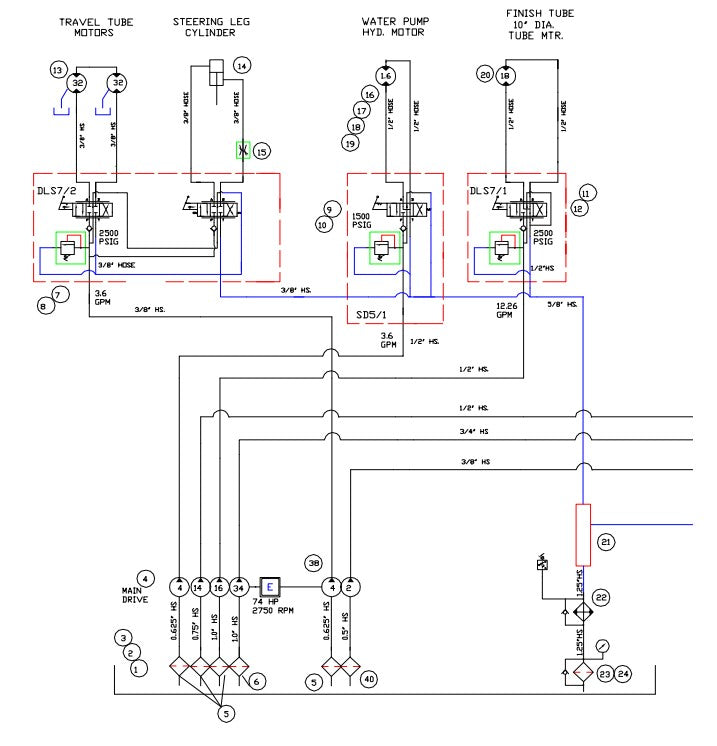
032268 Unit, Chrome Gas-Hydraulic Tank Cap by Allen Enginnering
$165.83
3
042844 Gauge, 5.00" Site Level by Allen Enginnering
$193.85
5
040073 Strainer, Large Hyd. Tank (Trtp) by Allen Enginnering
$166.95
40
040073 Strainer, Large Hyd. Tank (Trtp) by Allen Enginnering
$166.95
6
049357 Strainer, Suction (Tmf-25-5) by Allen Enginnering
$276.76
7
040066 Valve, Stack (Travel Control) Trtp by Allen Enginnering
$3,249.45
8
040074 HANDLE, F/ VALVES (TRTP) by Allen Engineering
$33.60
12
040074 HANDLE, F/ VALVES (TRTP) by Allen Engineering
$33.60
9
040063 VALVE, SPRAY SYSTEM (TRTP) by Allen Engineering
$1,519.20
11
040058 Valve, Stack 7C7Ftlfg/Rf-Sae (Trtp) by Allen Enginnering
$3,167.65
13
044652 MOTOR, 10" TRTP HD HYDR TRAVEL by Allen Engineering
$3,720.00
15
029232 VALVE, CHECK PNEUTROL 3/8 TRTF by Allen Engineering
$153.60
16
040065 Motor, Water Pump (Trtp) by Allen Enginnering
$2,815.82
18
040060 Coupler, Jaw F/ Water Pump 5/8X5/32 by Allen Enginnering
$72.60
19
040061 Insert, Jaw Coupler Water Pump by Allen Enginnering
$53.78
-
066143 Temperture Switch 82-104 1/2Bsp by Allen Enginnering
$960.27
24A
046241 Filter Gauge by Allen Enginnering
$132.22
24B
029413 Valve, 3/4" Brass Relief (300Psi) by Allen Enginnering
$339.51
24C
047412 VALVE, 3-WAY BALL 3/4" by Allen Engineering
$141.60
31
068172 CYLINDER HYDRAULIC 2" BORE X 8" X 1 1/4" ROD by Allen Engineering
$2,469.60
34
049367 Motor, Hyd F/ Gang Vib 255Cd by Allen Enginnering
$1,993.37
36
050451 Valve, Flow Control (Brand Fc-10Sae by Allen Enginnering
$518.79
