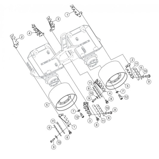
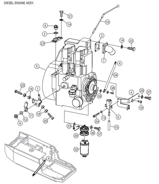
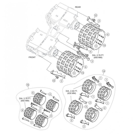
Collection: Rammax P33 24 HHM HHMR (Serial Number 1536704 onwards) Walk Behind Trench Roller by Multiquip

Search by Brand, Type & Model

1 :
2 :
3 :
Shop By diagram:
Showing 1 to 36 of 45 items

Parts:
Showing 685 to 720 of 752 items

View More

Rammax P33 24 HHM HHMR (Serial Number 1536704 onwards) Walk Behind Trench Roller by Multiquip

MODEL P33/24: HHM (MANUAL) HHMR (WIRELESS/TETHERED)

VARIABLE ECCENTRIC WEIGHT (OPTION)

STARTING SERIAL NO. 1536704

VIBRATORY TRENCH ROLLER

Genuine parts for P33 P24 FR FC FCR Vibratory Trench Roller by Multiquip.

For optimum performance order the original parts from an authorized dealer so your compaction job never stops. 

Please ensure the correctness of the parts prior to ordering. Parts may differ based on the serial number of the equipment, contact us at parts@danseusa.com or chat with an agent in the chat box to identify the correct part number.

Some parts may be dropshipped from the manufacturer

Certain items may incur restocking fees upon return.