Collection: CC1800 XL Concrete Walk Behind Saw Parts by Core Cut Diamond Products

Showing 253to 288of 808 items

View More

Enhancing your Core Cut CC1800 XL Walk Behind Concrete Saw's performance and ensuring its longevity is crucial for any construction project. Utilizing genuine OEM spare parts from Core Cut Diamond Products through authorized dealers is not just a recommendation; it's essential for maintaining the efficiency and economy of your equipment. In this optimized guide, we delve into the importance of selecting authorized Core Cut Diamond Products for your CC1800XL parts, highlighting the ease of online ordering and the benefits of a well-maintained saw.

  • Optimal Assembly and Operation

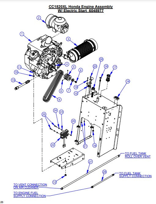
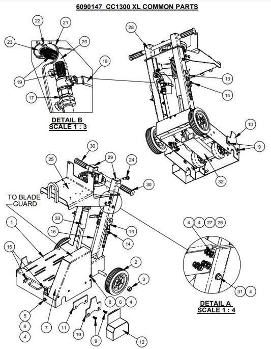
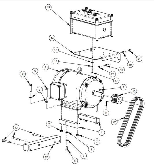
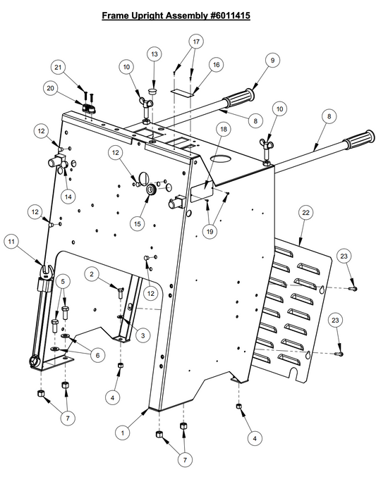
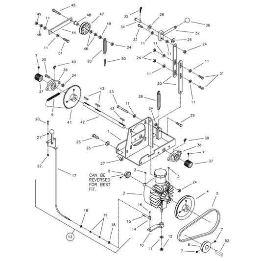
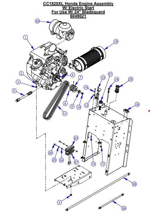
Starting with the assembly, adjusting the handles of your CC1800 XL to the desired height is straightforward, ensuring a personalized setup that can significantly impact your operational comfort. It's equally important to verify engine and transmission oil levels before use, especially for electric saw models that require a purchaser-provided power cord. 

When operating the saw, choosing the correct diamond or abrasive blade is not just about enhancing performance; it's about optimizing your blade costs. A thorough inspection of the blade shaft flange, arbor, and blade for any damage before mounting is critical. Moreover, ensuring that your blade is mounted solidly on the shaft with proper alignment and securing the blade guard in place are essential steps for safe operation.

  • Maintenance and Genuine Parts: A Priority

The maintenance of your CC1800 XL saw cannot be overstated. From daily lubrication of the blade shaft bearings—more frequently when cutting dry—to regular checks on engine oil and air filters, each step contributes to the saw's optimal performance. Furthermore, the hydrostatic transmission oil level and the condition of the cooling fins are pivotal in preventing overheating.

Here lies the crux of maximizing your saw's efficiency and safety: utilizing genuine parts from authorized dealers like [DanseUSA.com](http://www.danseusa.com). The reliability and compatibility that genuine parts offer significantly reduce the likelihood of breakdowns and the necessity for costly repairs. Investing in genuine parts from trusted sources is not just about maintenance; it's about ensuring your equipment's performance and safety, ultimately saving time and money.

  • Conclusion: Efficiency and Reliability

The Core Cut CC1800 XL Walk Behind Concrete Saw stands as a testament to the necessity of proper maintenance and the use of genuine parts. By adhering to the manufacturer's instructions and sourcing parts from authorized dealers, you ensure that your equipment remains a reliable asset in your construction arsenal. Remember, regular maintenance paired with genuine parts is the cornerstone of minimizing downtime and maximizing productivity.

In addition to the CC1800 XL, Diamond Products offers a comprehensive line of cutting and boring equipment, including saws, coring equipment, Core Vac, Core Prep, the Choice system, core bits, diamond blades, and Tyrolit abrasives. Each product line is designed with the same commitment to quality and performance, emphasizing the importance of genuine replacement parts to extend the life and enhance the efficiency of your saws and core drills. Order your genuine Core Cut Core Bore saw and core drill replacement parts by Diamond Products today, and take the first step towards optimized cutting equipment performance.