Search by Brand, Type & Model
Core Bore M-1 Core Drill Rig – Stand, Base and Vacuum Parts
The Core Bore M-1 core drill rig is a compact, heavy-duty concrete core drill rig stand designed for everyday coring in slabs, walls, and structural concrete. With its rigid mast and gear rack, adjustable bases, and 6" wheels, this compact core drill rig is built for contractors who core frequently but don’t need a large track rig or full hydraulic core drilling rig.
Paired with a Core Bore or Weka core bore drill motor and the right Core Bore diamond core bits (often referred to as a “core bore core drill” setup), the M-1 becomes a versatile diamond core drill rig for:
- Drilling anchor and dowel holes in slabs, beams, and walls
- Creating openings for plumbing, fire protection, and electrical conduit
- HVAC sleeves and mechanical penetrations through concrete and block
- Angle drilling in tight or overhead locations where larger concrete core drill rigs won’t fit
This page is dedicated to genuine Core Bore M-1 parts and core drill rig spare parts so you can keep your stand, mast, carriage, vacuum system, and control panel working like new.
Find the right M-1 assembly with Shop By Diagram
Use the Shop By Diagram links to open exploded views of each major M-1 assembly. Each diagram connects the drawing’s reference numbers to the parts grid, so you can go from the worn area on your rig to the exact genuine M-1 core drill rig spare parts in a couple of clicks.
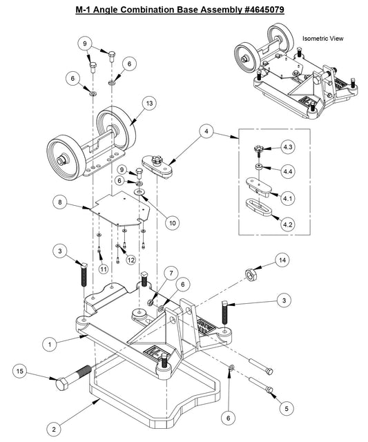
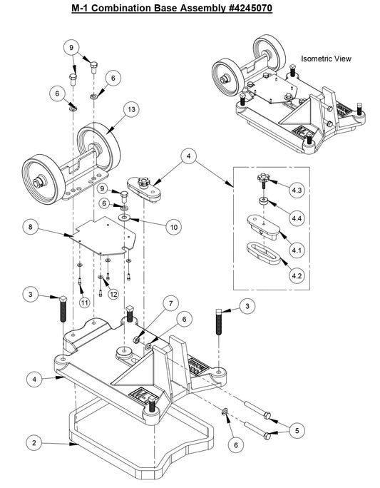
- Base and stand assemblies: If the stand rocks, the anchors are damaged or the wheels are tired, start with the base and stand diagrams. The M-1 Anchor Base Assembly, M-1 Combination Base Assembly and M-1 Angle Anchor Stand Parts pages group the main bases, L-bolts, anchor brackets, wheels, and hardware used to stabilize the M-1 core drill rig.
- Masts and drilling reach: For bent masts, worn gear racks, or when you want to change drilling height, go to the mast diagrams. The M-1 Masts with Gear Rack Parts and M-1 Angle Masts with Gear Rack Parts pages cover straight and angle mast options for compact setups and taller concrete core drill rigs.
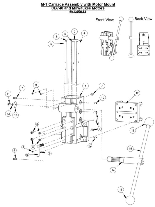
- Carriage and motor mounts: If feed travel feels rough, the carriage is loose, or you’re changing drill motors, use the carriage diagrams that match your motor style. The M-1 Carriage Assembly with Motor Mount CB700 and Weka Motors Parts and M-1 Carriage Assembly with Motor Mount CB748 and Milwaukee Motors Parts pages show the carriage, motor mount plates, shims, pinion gear, handle, and related hardware.
- Vacuum mounting and water control: For vacuum-mounted setups or when the pump loses suction, the M-1 Vacuum Pump Assembly 115 V Parts diagram ties together the vacuum pump, water jar assembly, float ball, vacuum gauge, muffler, and fittings so you can restore reliable hold-down and water management.
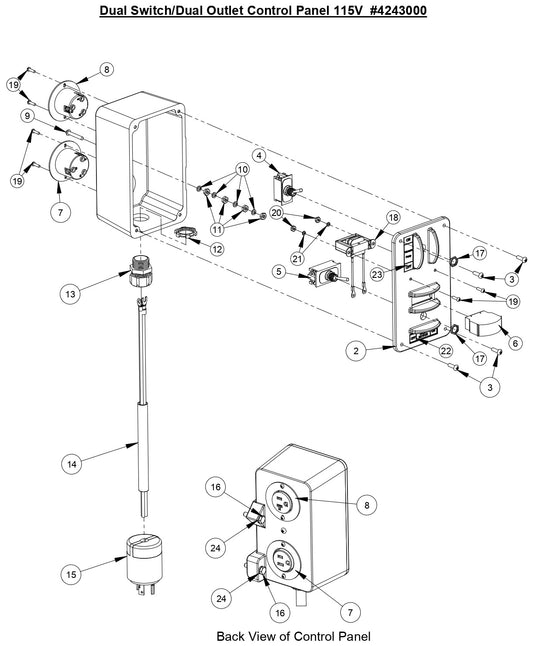
- Control panel and electrical components: If switches, outlets, or meters fail, use the M-1 Dual Switch / Dual Outlet Control Panel 115 V Parts page to replace toggle switches, flanged outlets, amp meters, cords, and small hardware that power your core bore drill motor and vacuum pump.
Whether you’re rebuilding an older M-1 or supporting a fleet of Core Bore Diamond Products rigs, these diagrams make it easy to buy Core Bore Diamond core drilling parts online without guessing about compatibility.
Popular Core Bore M-1 replacement parts
While every jobsite is different, some Core Bore M-1 parts get replaced far more often than others. Based on what contractors typically order for everyday concrete core drill rigs, you’ll most often see wear, damage or loss in these areas:
- Vacuum mounting and water control: Keeping the stand sealed and your water system leak-free is critical for secure vacuum mounts and clean holes. Common replacements include the 4645020 Vacuum Gasket around the base plate and the 2700170 Water Trap Jar, which protects the vacuum pump from slurry and moisture during coring.
- Feed and carriage components: If the carriage no longer feeds smoothly up the mast, look at the 4645012 M-1 Pinion Gear and shim sets like the 4645008 Adjusting Shim 1/8" x 1-1/2" x 9". Contractors often pair these with a fresh 2400003 Slot Cap Gasket to keep the carriage tracking correctly on the gear rack.
- Bases, wheels, and mobility: When an M-1 stand has been dragged on and off trucks for years, the base and wheel assemblies are often the first to show it. Popular rebuild items include the 4245070 Combination Base Assembly and the 4645046 Wheel Assembly, which restore stable footing and smooth rolling.
- Complete carriage rebuilds: If your rig has seen heavy use or suffered damage in transit, it’s often faster to swap the entire carriage than to chase individual pieces. The 4645044 Carriage Assembly comes pre-configured for the M-1 and can save time compared to replacing rollers, brackets, and hardware one by one.
Every part number on this page is an OEM Core Bore M-1 core rig component, so you can match what was on the stand from the factory. If you don’t see the M-1 core drill rig spare parts you need, contact us and we’ll help you track down the correct Core Bore Diamond Products M-1 replacement.
Why order M-1 core drill rig parts from DanseUSA
DanseUSA is an authorized dealer for Diamond Products / Core Bore, supplying genuine OEM parts for the M-1 and other Core Bore core drill stands and concrete core drill rigs. Ordering through us means:
- Genuine Core Bore Diamond Products parts shipped from our warehouse or drop shipped directly from the manufacturer
- Access to the full M-1 parts breakdown, including hardware and small components that are easy to miss
- Support from parts specialists who work with Core Bore drilling equipment every day